Elektrokettensäge

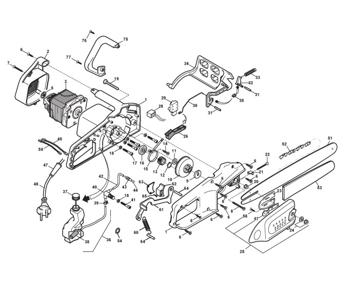
Zeichnung von Castelgarden Elektro Kettensäge EX 35 (292914003/08) ab 2008:

Klicken Sie auf diese Zeichnung

Sollten Sie Fragen zu einem Ersatzteil haben, können Sie uns gerne eine Ersatzteilanfrage stellen.

Hier finden Sie alle Ersatzteile von Castelgarden Elektro Kettensäge EX 35 (292914003/08) ab 2008 aus der Zeichnung Elektrokettensäge:
Artikel 1 - 27 von 27


Artikel 1 - 27 von 27