Elektrokettensäge

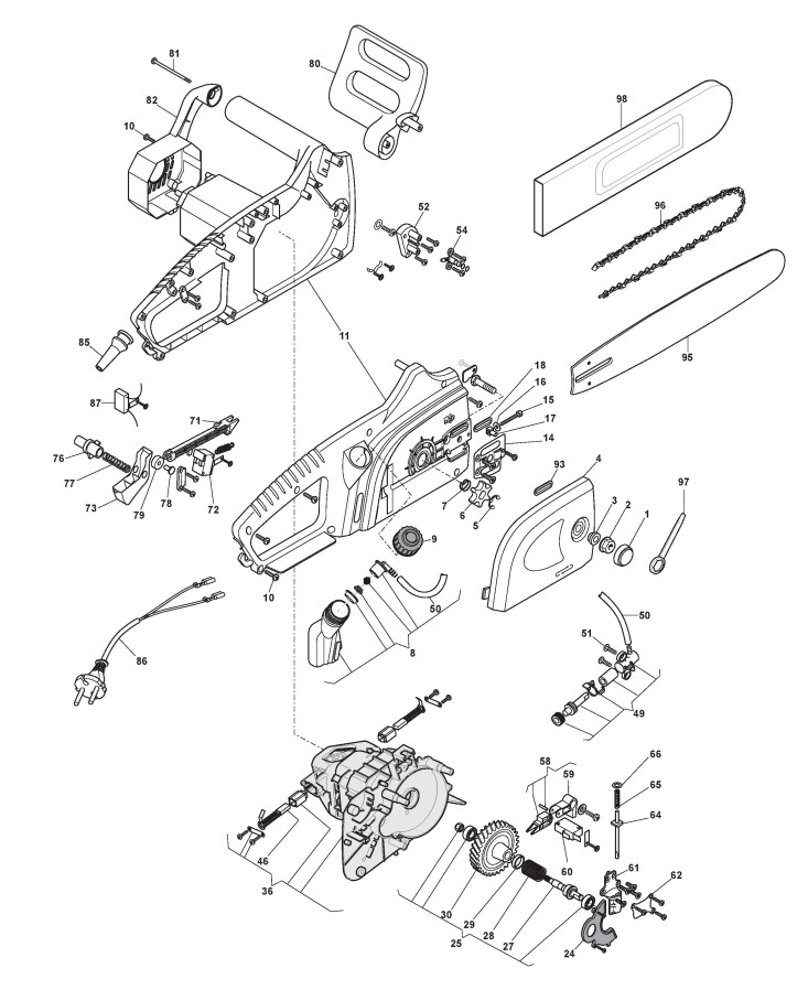
Zeichnung von Castelgarden Elektro Kettensäge EX 170 (292616113/11) ab 2012:

Klicken Sie auf diese Zeichnung

Sollten Sie Fragen zu einem Ersatzteil haben, können Sie uns gerne eine Ersatzteilanfrage stellen.

Hier finden Sie alle Ersatzteile von Castelgarden Elektro Kettensäge EX 170 (292616113/11) ab 2012 aus der Zeichnung Elektrokettensäge:
Artikel 1 - 7 von 7


Artikel 1 - 7 von 7