Elektrokettensäge

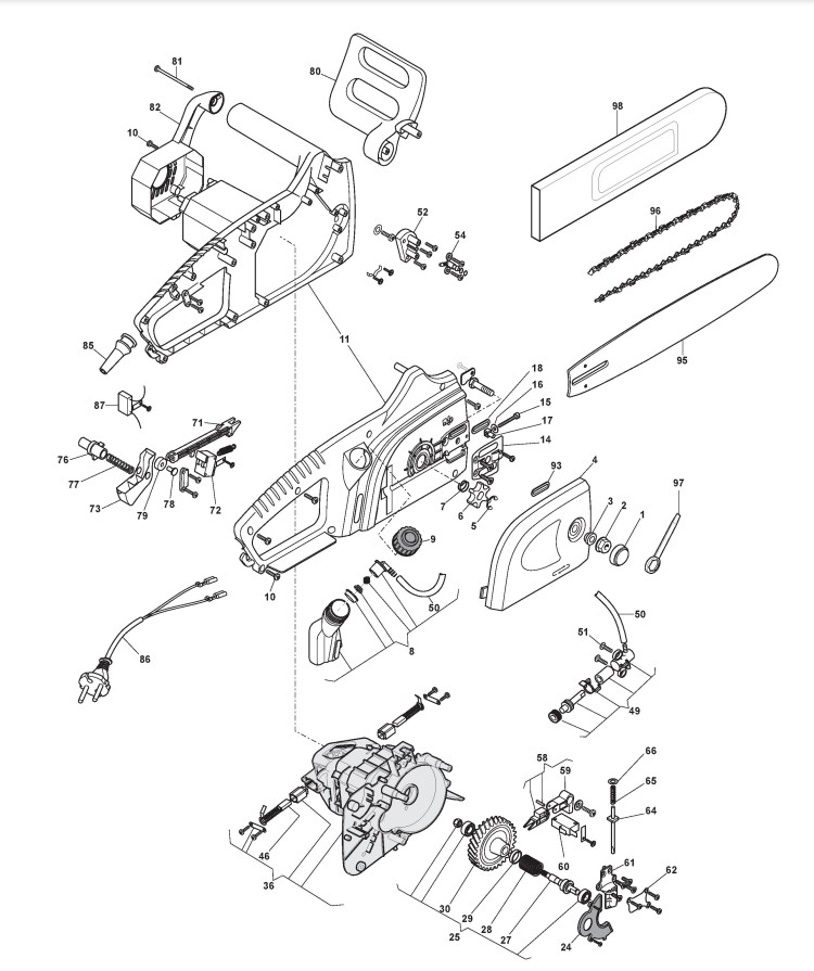
Zeichnung von Castelgarden Elektro Kettensäge ES 2040 T (292616013/11) ab 2019:

Klicken Sie auf diese Zeichnung

Sollten Sie Fragen zu einem Ersatzteil haben, können Sie uns gerne eine Ersatzteilanfrage stellen.

Hier finden Sie alle Ersatzteile von Castelgarden Elektro Kettensäge ES 2040 T (292616013/11) ab 2019 aus der Zeichnung Elektrokettensäge:
Artikel 1 - 7 von 7


Artikel 1 - 7 von 7