Elektrokettensäge

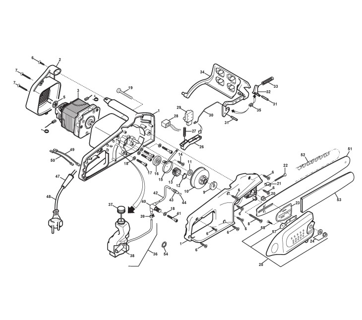
Zeichnung von Castelgarden Elektro Kettensäge ELETTRA 36 (292016003/CH3) ab 2003:

Klicken Sie auf diese Zeichnung

Sollten Sie Fragen zu einem Ersatzteil haben, können Sie uns gerne eine Ersatzteilanfrage stellen.

Hier finden Sie alle Ersatzteile von Castelgarden Elektro Kettensäge ELETTRA 36 (292016003/CH3) ab 2003 aus der Zeichnung Elektrokettensäge:
Artikel 1 - 4 von 4


Artikel 1 - 4 von 4