Elektrokettensäge (2)

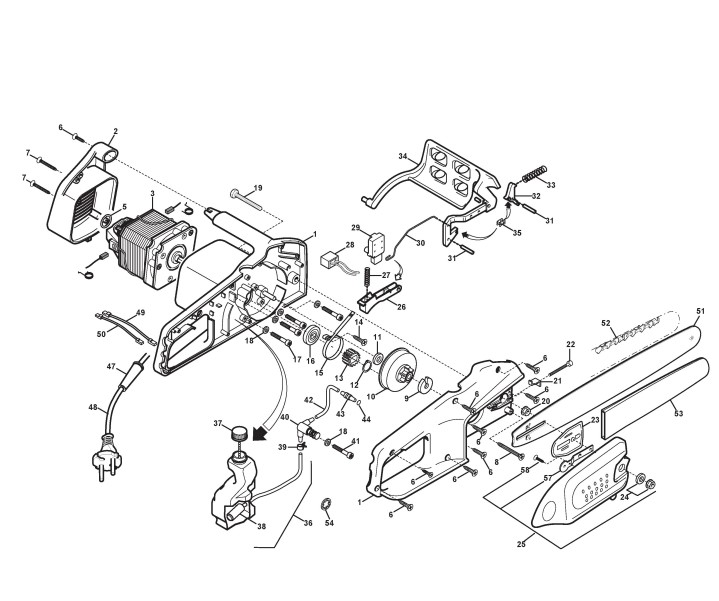
Zeichnung von Castelgarden Elektro Kettensäge XC 17 EL (291914003/04) ab 2004:

Klicken Sie auf diese Zeichnung

Sollten Sie Fragen zu einem Ersatzteil haben, können Sie uns gerne eine Ersatzteilanfrage stellen.

Hier finden Sie alle Ersatzteile von Castelgarden Elektro Kettensäge XC 17 EL (291914003/04) ab 2004 aus der Zeichnung Elektrokettensäge (2):
Artikel 1 - 4 von 4


Artikel 1 - 4 von 4