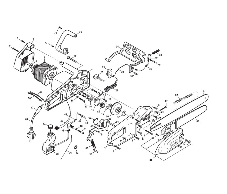
Elektrokettensäge (1)

Zeichnung von Castelgarden Elektro Kettensäge XC 20 EL (292016103/UK) ab 2006:

Klicken Sie auf diese Zeichnung

Sollten Sie Fragen zu einem Ersatzteil haben, können Sie uns gerne eine Ersatzteilanfrage stellen.

Hier finden Sie alle Ersatzteile von Castelgarden Elektro Kettensäge XC 20 EL (292016103/UK) ab 2006 aus der Zeichnung Elektrokettensäge (1):
Artikel 1 - 20 von 28


Artikel 1 - 20 von 28