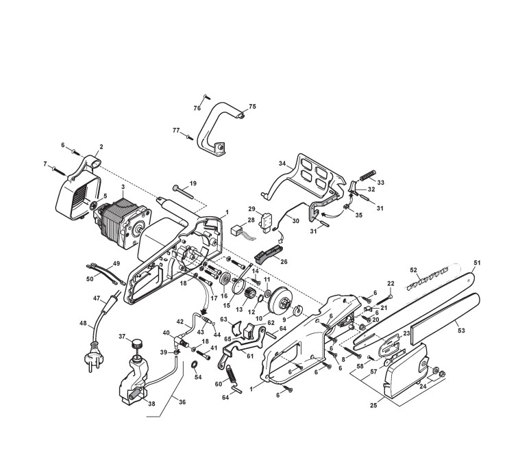
Elektrokettensäge (1)

Zeichnung von Castelgarden Elektro Kettensäge GD 160 (291614000/04) ab 2005:

Klicken Sie auf diese Zeichnung

Sollten Sie Fragen zu einem Ersatzteil haben, können Sie uns gerne eine Ersatzteilanfrage stellen.

Hier finden Sie alle Ersatzteile von Castelgarden Elektro Kettensäge GD 160 (291614000/04) ab 2005 aus der Zeichnung Elektrokettensäge (1):
Artikel 1 - 20 von 25


Artikel 1 - 20 von 25