Elektrokettensäge (1)

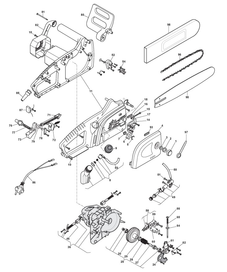
Zeichnung von Castelgarden Elektro Kettensäge ES 2040 (292616013/11) ab 2018:

Klicken Sie auf diese Zeichnung

Sollten Sie Fragen zu einem Ersatzteil haben, können Sie uns gerne eine Ersatzteilanfrage stellen.

Hier finden Sie alle Ersatzteile von Castelgarden Elektro Kettensäge ES 2040 (292616013/11) ab 2018 aus der Zeichnung Elektrokettensäge (1):
Artikel 1 - 30 von 43


Artikel 1 - 30 von 43