Elektrischer Trimmer

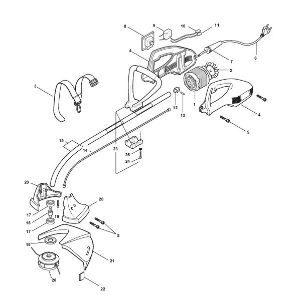
Zeichnungen von Stiga Rasentrimmer/Freischneider ST1000 mit Geräte Nr. 19-1100-14 ab Baujahr 2006

Zeichnung


Beachten Sie bitte, dass die Gerätebezeichnung Stiga Rasentrimmer/Freischneider ST1000, das Baujahr ab 2006 und die Geräte Nr. 19-1100-14 lauten muss, denn nur so kann sichergestellt werden, dass das Ersatzteil passt.
Nur die hier aufgeführten Ersatzteile sind für dieses Gerät verfügbar. Alle anderen Ersatzteile sind nicht mehr lieferbar.
Ersatzteile von Stiga Rasentrimmer/Freischneider ST1000 (Geräte ID 19-1100-14) Baujahr ab Bj 2006:
Artikel 1 - 4 von 4


Artikel 1 - 4 von 4