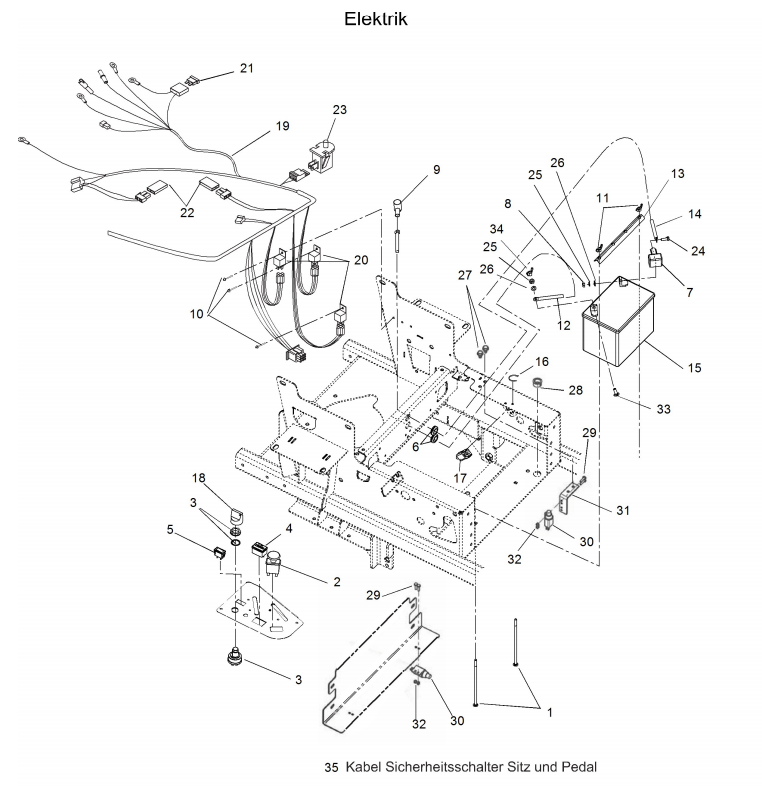
Elektrik

Zeichnung von Gravely PRO-TURN-148Z (991300) S.-NR.:020000-029999 Elektrik:

Klicken Sie auf diese Zeichnung

Sollten Sie Fragen zu einem Ersatzteil haben, können Sie uns gerne eine Ersatzteilanfrage stellen.

Hier finden Sie alle Ersatzteile von Gravely PRO-TURN-148Z (991300) S.-NR.:020000-029999 Elektrik:
Artikel 1 - 20 von 34


Artikel 1 - 20 von 34