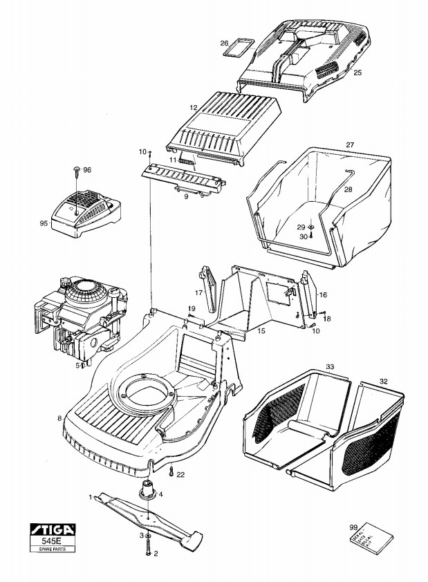
Chassie

Zeichnung von Stiga Benzin-Rasenmäher ab 2000 Turbo 48SE 4-Speed (Geräte Nr 12-5489-17):

Klicken Sie auf diese Zeichnung

Sollten Sie Fragen zu einem Ersatzteil haben, können Sie uns gerne eine Ersatzteilanfrage stellen.

Hier finden Sie alle Ersatzteile von Stiga Benzin-Rasenmäher ab 2000 Turbo 48SE 4-Speed (Geräte Nr 12-5489-17) aus dem Zeichnungsblatt Chassie:
Artikel 1 - 10 von 22


Artikel 1 - 10 von 22