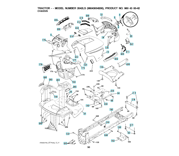
CHASSIS / RAHMEN

Ersatzteile für Husqvarna Gartentraktoren 2042 LS ( 96043004200, 2008-01 ) CHASSIS / RAHMEN:

Zeichnung für Husqvarna Gartentraktoren 2042 LS ( 96043004200, 2008-01 ) CHASSIS / RAHMEN

Sollten Sie Fragen zu einem Ersatzteil von 2042 LS ( 96043004200, 2008-01 ) haben, können Sie uns gerne eine Ersatzteilanfrage (mit einem Foto vom Typenschild Ihres Gerätes) stellen.

Folgende Ersatzteile für Husqvarna Gartentraktoren 2042 LS ( 96043004200, 2008-01 ) CHASSIS / RAHMEN können Sie hier bestellen:
Artikel 1 - 40 von 47


Artikel 1 - 40 von 47