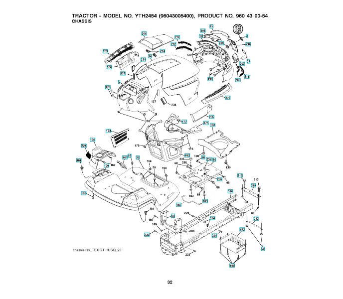
CHASSIS / RAHMEN

Ersatzteile für Husqvarna Gartentraktor YTH2454 ( 96043005400, 2008-04 ) CHASSIS / RAHMEN:

Zeichnung für Husqvarna Gartentraktor YTH2454 ( 96043005400, 2008-04 ) CHASSIS / RAHMEN

Sollten Sie Fragen zu einem Ersatzteil von YTH2454 ( 96043005400, 2008-04 ) haben, können Sie uns gerne eine Ersatzteilanfrage (mit einem Foto vom Typenschild Ihres Gerätes) stellen.

Folgende Ersatzteile für Husqvarna Gartentraktor YTH2454 ( 96043005400, 2008-04 ) CHASSIS / RAHMEN können Sie hier bestellen:
Artikel 1 - 20 von 47

10,05 € *
Lieferzeit: 2 - 10 Werktage

Artikel 1 - 20 von 47