CHASSIS & GEHÄUSE

Ersatzteile für Husqvarna Gartentraktor LTH151 ( 96041002004, 2009-01 ) CHASSIS & GEHÄUSE:

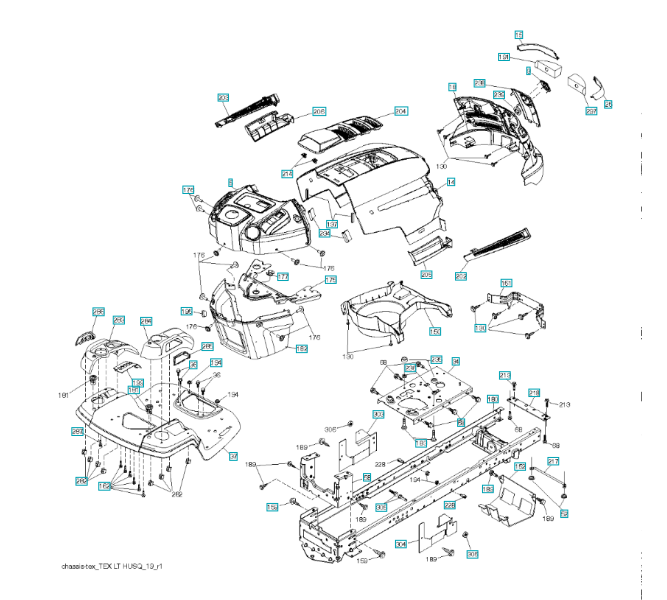
Zeichnung für Husqvarna Gartentraktor LTH151 ( 96041002004, 2009-01 ) CHASSIS & GEHÄUSE

Sollten Sie Fragen zu einem Ersatzteil von LTH151 ( 96041002004, 2009-01 ) haben, können Sie uns gerne eine Ersatzteilanfrage (mit einem Foto vom Typenschild Ihres Gerätes) stellen.

Folgende Ersatzteile für Husqvarna Gartentraktor LTH151 ( 96041002004, 2009-01 ) CHASSIS & GEHÄUSE können Sie hier bestellen:
Artikel 1 - 10 von 49