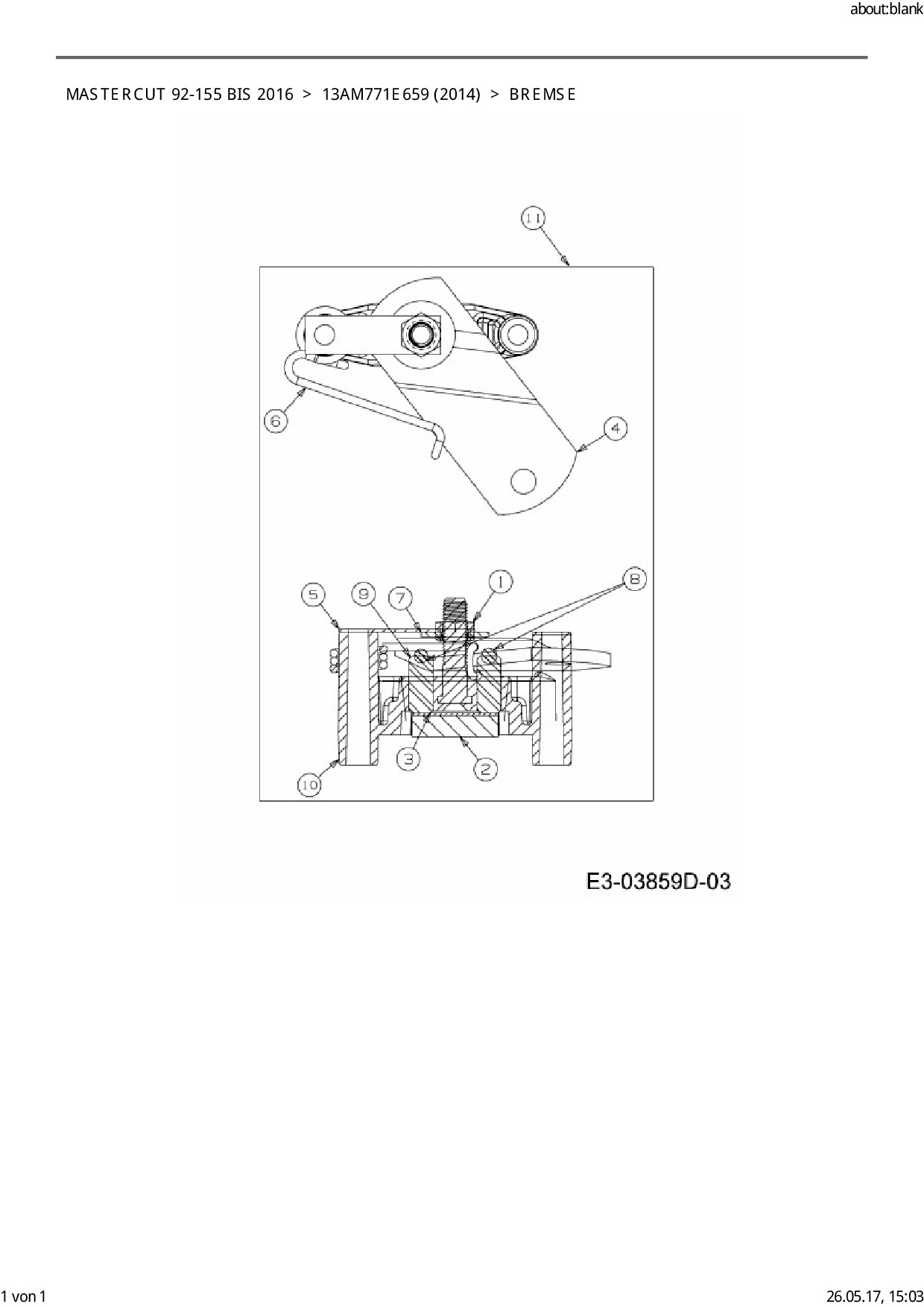
Bremse

Zeichnung für Mastercut Rasentraktor Mastercut 92-155 bis 2016 mit der Geräte-Artikelnr. 13AM771E659 ab Baujahr 2014:

Zeichnung Bremse

Die Ersatzteil-Zeichnung für Rasentraktor Mastercut Mastercut 92-155 bis 2016 als Download:
Download Ersatzteil-Zeichnung Mastercut Mastercut 92-155 bis 2016 Zeichnung Bremse (PDF-Format)
Download Ersatzteil-Zeichnung Mastercut Mastercut 92-155 bis 2016 Zeichnung Bremse (JPG-Format)

Sollten Sie Fragen zu einem Ersatzteil haben, können Sie uns gerne eine E-Mail (mit einem Foto vom Typenschild Ihres Gerätes) schreiben oder eine Ersatzteilanfrage stellen.

Ersatzteile für Rasentraktor Mastercut Mastercut 92-155 bis 2016 aus der Zeichnung Bremse:
Artikel 1 - 10 von 10


Artikel 1 - 10 von 10