Bremse

Zeichnung für Oleo-Mac Rasentraktor Krosser 92/15,5 T mit der Geräte-Artikelnr. 13AM77KE636 ab Baujahr 2010:

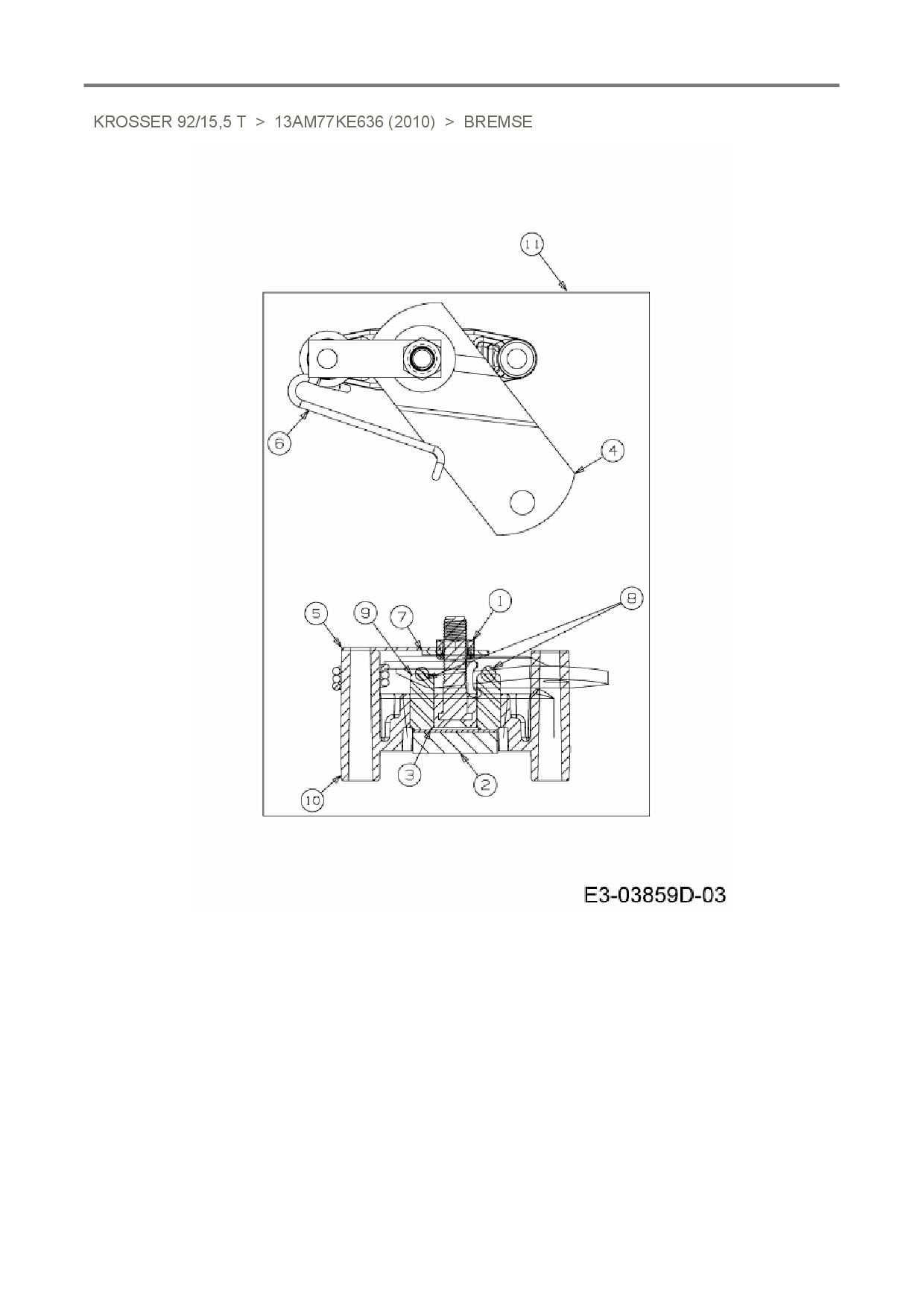
Zeichnung Bremse

Die Ersatzteil-Zeichnung für Rasentraktor Oleo-Mac Krosser 92/15,5 T als Download:
Download Ersatzteil-Zeichnung Oleo-Mac Krosser 92/15,5 T Zeichnung Bremse (PDF-Format)
Download Ersatzteil-Zeichnung Oleo-Mac Krosser 92/15,5 T Zeichnung Bremse (JPG-Format)

Sollten Sie Fragen zu einem Ersatzteil haben, können Sie uns gerne eine E-Mail (mit einem Foto vom Typenschild Ihres Gerätes) schreiben oder eine Ersatzteilanfrage stellen.

Ersatzteile für Rasentraktor Oleo-Mac Krosser 92/15,5 T aus der Zeichnung Bremse:
Artikel 1 - 10 von 10

17,90 € *
Lieferzeit: 2 - 10 Werktage
14,52 € *
Lieferzeit: 2 - 10 Werktage
31,58 € *
Lieferzeit: 2 - 10 Werktage
30,26 € *
Lieferzeit: 2 - 10 Werktage

Artikel 1 - 10 von 10