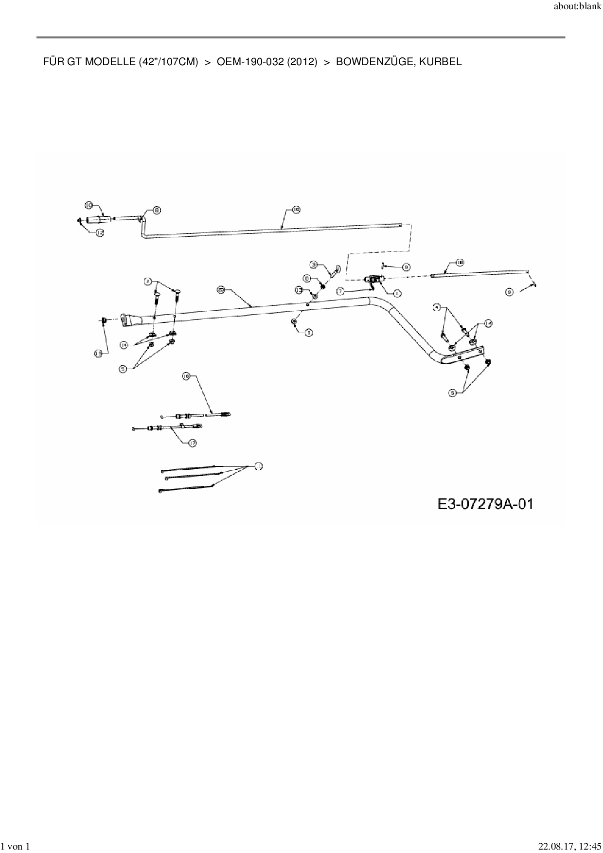
Bowdenzüge, Kurbel

Zeichnung für Zubehör Garten- und Rasentraktoren Schneefräse für GT Modelle (42"/107cm) mit der Geräte-Artikelnr. OEM-190-032 ab Baujahr 2012:

Zeichnung Bowdenzüge, Kurbel

Die Ersatzteil-Zeichnung für Schneefräse Zubehör Garten- und Rasentraktoren für GT Modelle (42"/107cm) als Download:
Download Ersatzteil-Zeichnung Zubehör Garten- und Rasentraktoren für GT Modelle (42"/107cm) Zeichnung Bowdenzüge, Kurbel (PDF-Format)
Download Ersatzteil-Zeichnung Zubehör Garten- und Rasentraktoren für GT Modelle (42"/107cm) Zeichnung Bowdenzüge, Kurbel (JPG-Format)

Sollten Sie Fragen zu einem Ersatzteil haben, können Sie uns gerne eine E-Mail (mit einem Foto vom Typenschild Ihres Gerätes) schreiben oder eine Ersatzteilanfrage stellen.

Ersatzteile für Schneefräse Zubehör Garten- und Rasentraktoren für GT Modelle (42"/107cm) aus der Zeichnung Bowdenzüge, Kurbel:
Artikel 1 - 16 von 16


Artikel 1 - 16 von 16