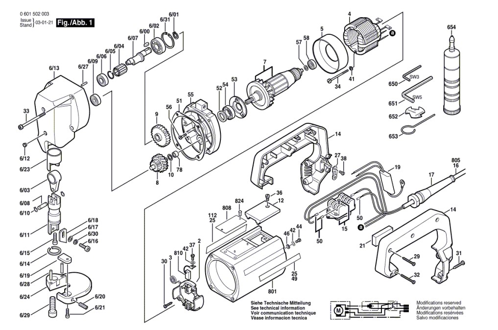
Blechschere ( 0 601 502 003 )

Zeichnung Bosch Blechschere 0 601 502 003:

Zeichnung 1

Sollten Sie Fragen zu einem Ersatzteil haben, können Sie uns gerne eine Ersatzteilanfrage stellen.

Hier finden Sie alle Ersatzteile für Bosch Blechschere 0 601 502 003:
Artikel 1 - 10 von 29


Artikel 1 - 10 von 29