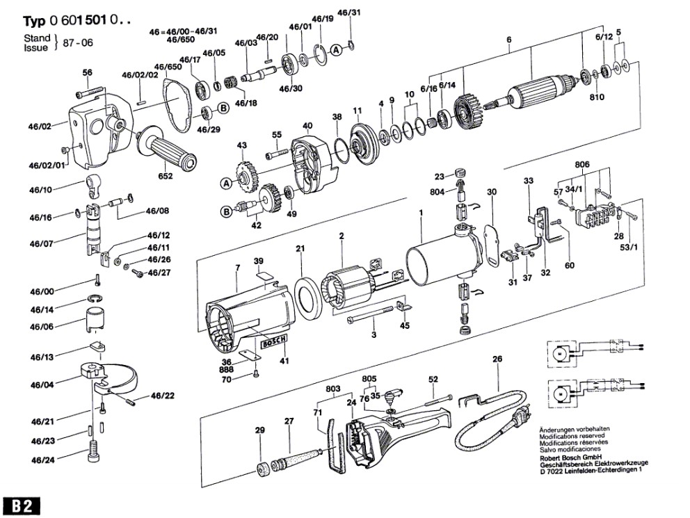
Blechschere ( 0 601 501 003 )

Zeichnung Bosch Blechschere 0 601 501 003:

Zeichnung 1

Sollten Sie Fragen zu einem Ersatzteil haben, können Sie uns gerne eine Ersatzteilanfrage stellen.

Hier finden Sie alle Ersatzteile für Bosch Blechschere 0 601 501 003:
Artikel 1 - 20 von 30

4,52 € *
Lieferzeit: 2 - 10 Werktage
4,52 € *
Lieferzeit: 2 - 10 Werktage
5,78 € *
Lieferzeit: 2 - 10 Werktage
7,56 € *
Lieferzeit: 2 - 10 Werktage
5,78 € *
Lieferzeit: 2 - 10 Werktage

Artikel 1 - 20 von 30