Betätigungen

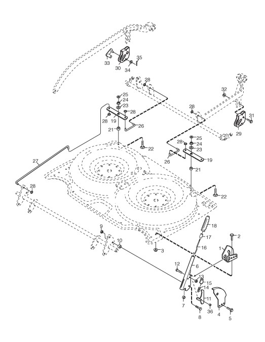
Zeichnung von Castelgarden Villa/ Ready Mähdeck FRONT DECK XM 92 (13-2929-88) ab 2005:

Klicken Sie auf diese Zeichnung

Sollten Sie Fragen zu einem Ersatzteil haben, können Sie uns gerne eine Ersatzteilanfrage stellen.

Hier finden Sie alle Ersatzteile von Castelgarden Villa/ Ready Mähdeck FRONT DECK XM 92 (13-2929-88) ab 2005 aus der Zeichnung Betätigungen:
Artikel 1 - 20 von 32


Artikel 1 - 20 von 32