Betätigungen

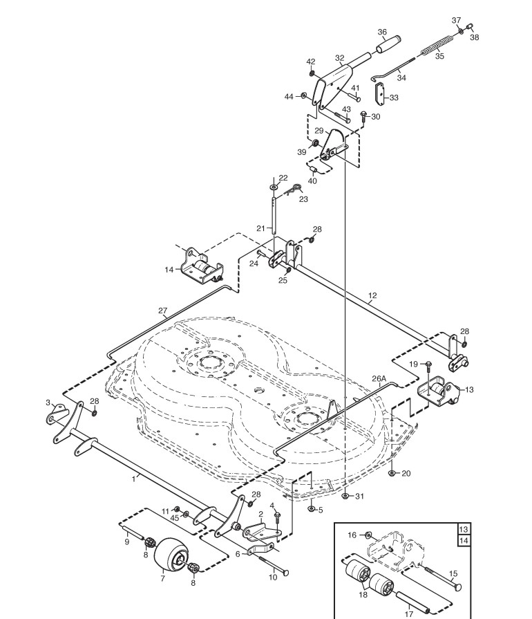
Zeichnung von Castelgarden Park Mähdecks DECK 105 C FOR XK4 (13-2972-72) ab 2008:

Klicken Sie auf diese Zeichnung

Sollten Sie Fragen zu einem Ersatzteil haben, können Sie uns gerne eine Ersatzteilanfrage stellen.

Hier finden Sie alle Ersatzteile von Castelgarden Park Mähdecks DECK 105 C FOR XK4 (13-2972-72) ab 2008 aus der Zeichnung Betätigungen:
Artikel 1 - 30 von 41


Artikel 1 - 30 von 41