Betätigungen

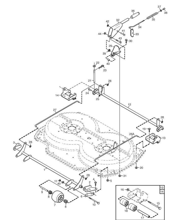
Zeichnung von Castelgarden Park Mähdecks DECK 105 C FOR XK /RU (13-2972-81) ab 2007:

Klicken Sie auf diese Zeichnung

Sollten Sie Fragen zu einem Ersatzteil haben, können Sie uns gerne eine Ersatzteilanfrage stellen.

Hier finden Sie alle Ersatzteile von Castelgarden Park Mähdecks DECK 105 C FOR XK /RU (13-2972-81) ab 2007 aus der Zeichnung Betätigungen:
Artikel 1 - 20 von 41


Artikel 1 - 20 von 41