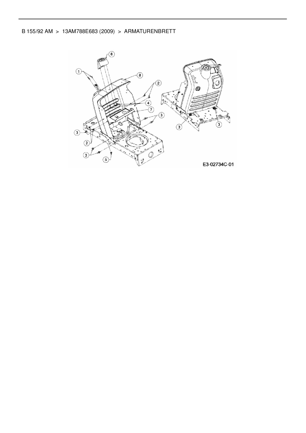
Armaturenbrett

Zeichnung für Black-Line Rasentraktor B 155/92 AM mit der Geräte-Artikelnr. 13AM788E683 ab Baujahr 2009:

Zeichnung Armaturenbrett

Die Ersatzteil-Zeichnung für Rasentraktor Black-Line B 155/92 AM als Download:
Download Ersatzteil-Zeichnung Black-Line B 155/92 AM Zeichnung Armaturenbrett (PDF-Format)
Download Ersatzteil-Zeichnung Black-Line B 155/92 AM Zeichnung Armaturenbrett (JPG-Format)

Sollten Sie Fragen zu einem Ersatzteil haben, können Sie uns gerne eine E-Mail (mit einem Foto vom Typenschild Ihres Gerätes) schreiben oder eine Ersatzteilanfrage stellen.

Ersatzteile für Rasentraktor Black-Line B 155/92 AM aus der Zeichnung Armaturenbrett:
Artikel 1 - 8 von 8


Artikel 1 - 8 von 8