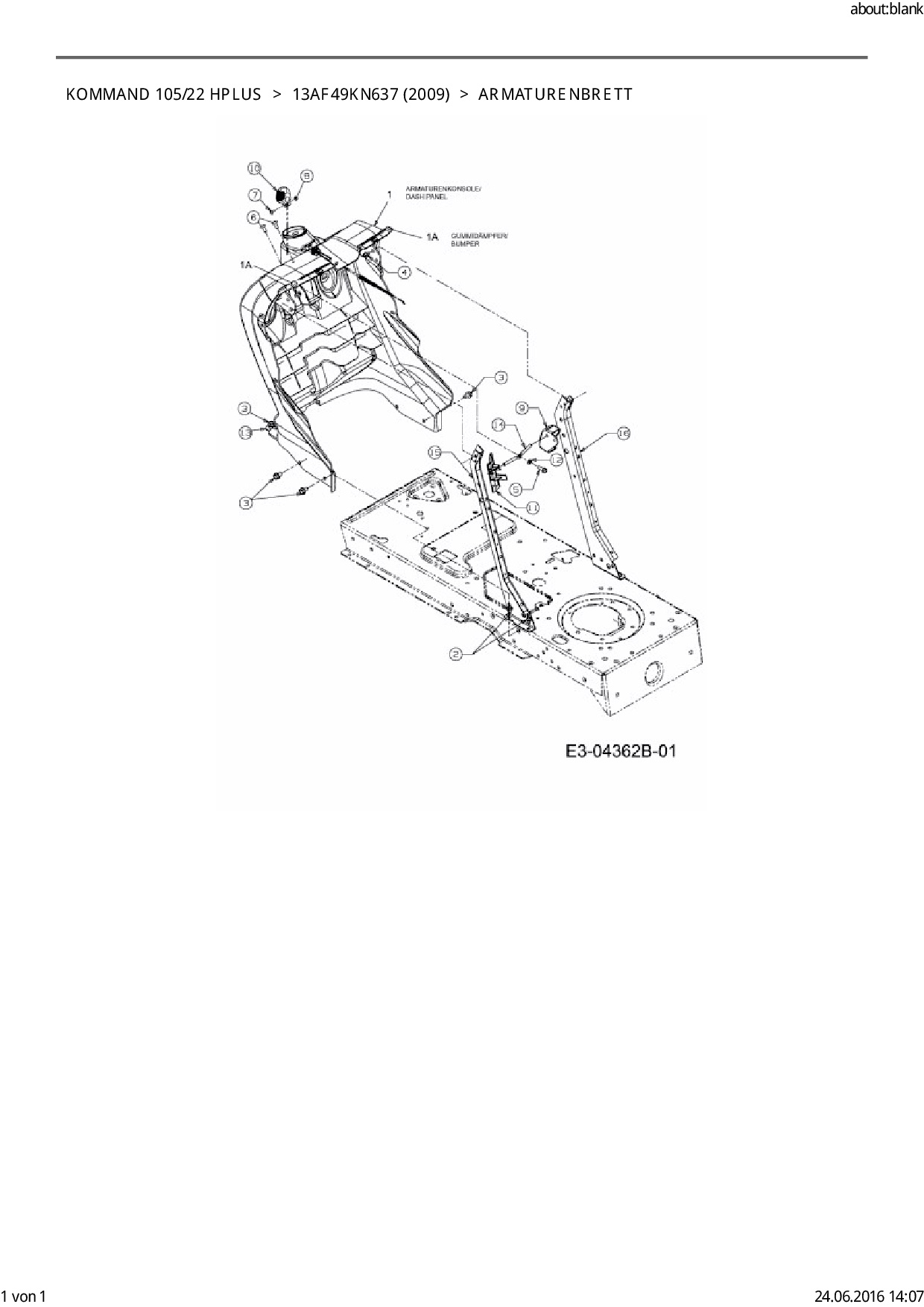
Armaturenbrett

Zeichnung für EFCO Rasentraktor Kommand 105/22 HPlus mit der Geräte-Artikelnr. 13AF49KN637 ab Baujahr 2009:

Zeichnung Armaturenbrett

Die Ersatzteil-Zeichnung für Rasentraktor EFCO Kommand 105/22 HPlus als Download:
Download Ersatzteil-Zeichnung EFCO Kommand 105/22 HPlus Zeichnung Armaturenbrett (PDF-Format)
Download Ersatzteil-Zeichnung EFCO Kommand 105/22 HPlus Zeichnung Armaturenbrett (JPG-Format)

Sollten Sie Fragen zu einem Ersatzteil haben, können Sie uns gerne eine E-Mail (mit einem Foto vom Typenschild Ihres Gerätes) schreiben oder eine Ersatzteilanfrage stellen.

Ersatzteile für Rasentraktor EFCO Kommand 105/22 HPlus aus der Zeichnung Armaturenbrett:
Artikel 1 - 17 von 17

121,52 € *
Lieferzeit: 2 - 10 Werktage
5,88 € *
Lieferzeit: 2 - 10 Werktage
13,48 € *
Lieferzeit: 2 - 10 Werktage
20,25 € *
Lieferzeit: 2 - 10 Werktage
5,88 € *
Lieferzeit: 2 - 10 Werktage

Artikel 1 - 17 von 17