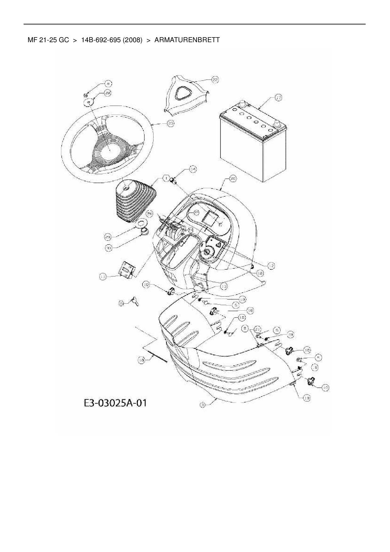
Armaturenbrett

Zeichnung für Massey Ferguson Gartentraktor MF 21-25 GC mit der Geräte-Artikelnr. 14B-692-695 ab Baujahr 2008:

Zeichnung Armaturenbrett

Die Ersatzteil-Zeichnung für Gartentraktor Massey Ferguson MF 21-25 GC als Download:
Download Ersatzteil-Zeichnung Massey Ferguson MF 21-25 GC Zeichnung Armaturenbrett (PDF-Format)
Download Ersatzteil-Zeichnung Massey Ferguson MF 21-25 GC Zeichnung Armaturenbrett (JPG-Format)

Sollten Sie Fragen zu einem Ersatzteil haben, können Sie uns gerne eine E-Mail (mit einem Foto vom Typenschild Ihres Gerätes) schreiben oder eine Ersatzteilanfrage stellen.

Ersatzteile für Gartentraktor Massey Ferguson MF 21-25 GC aus der Zeichnung Armaturenbrett:
Artikel 1 - 24 von 24

170,02 € *
Lieferzeit: 2 - 10 Werktage
59,40 € *
Lieferzeit: 2 - 10 Werktage
279,00 € *
Lieferzeit: 2 - 10 Werktage
19,66 € *
Lieferzeit: 2 - 10 Werktage
188,93 € *
Lieferzeit: 2 - 10 Werktage
170,02 € *
Lieferzeit: 2 - 10 Werktage
170,02 € *
Lieferzeit: 2 - 10 Werktage
5,88 € *
Lieferzeit: 2 - 10 Werktage

Artikel 1 - 24 von 24