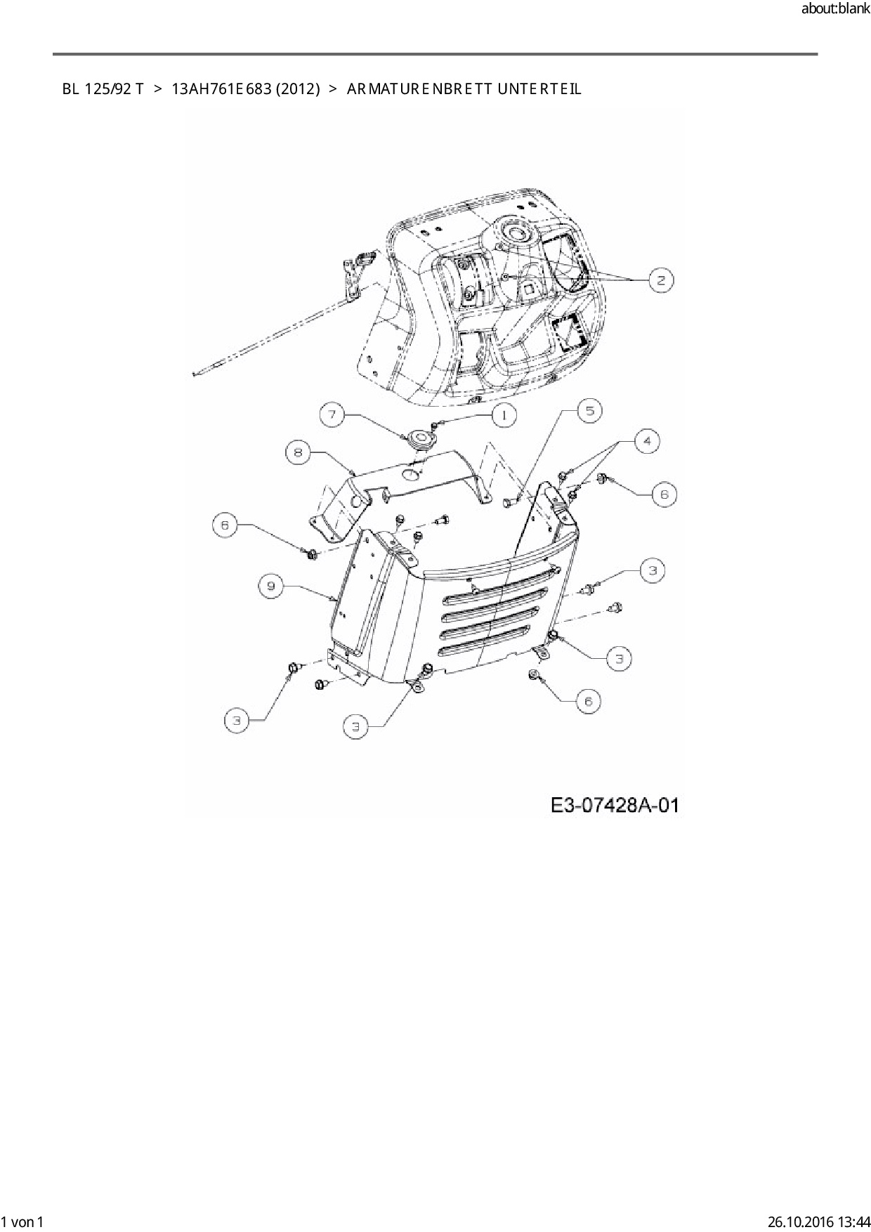
Armaturenbrett Unterteil

Zeichnung für Black-Line Rasentraktor BL 125/92 T mit der Geräte-Artikelnr. 13AH761E683 ab Baujahr 2012:

Zeichnung Armaturenbrett Unterteil

Die Ersatzteil-Zeichnung für Rasentraktor Black-Line BL 125/92 T als Download:
Download Ersatzteil-Zeichnung Black-Line BL 125/92 T Zeichnung Armaturenbrett Unterteil (PDF-Format)
Download Ersatzteil-Zeichnung Black-Line BL 125/92 T Zeichnung Armaturenbrett Unterteil (JPG-Format)

Sollten Sie Fragen zu einem Ersatzteil haben, können Sie uns gerne eine E-Mail (mit einem Foto vom Typenschild Ihres Gerätes) schreiben oder eine Ersatzteilanfrage stellen.

Ersatzteile für Rasentraktor Black-Line BL 125/92 T aus der Zeichnung Armaturenbrett Unterteil:
Artikel 1 - 9 von 9


Artikel 1 - 9 von 9