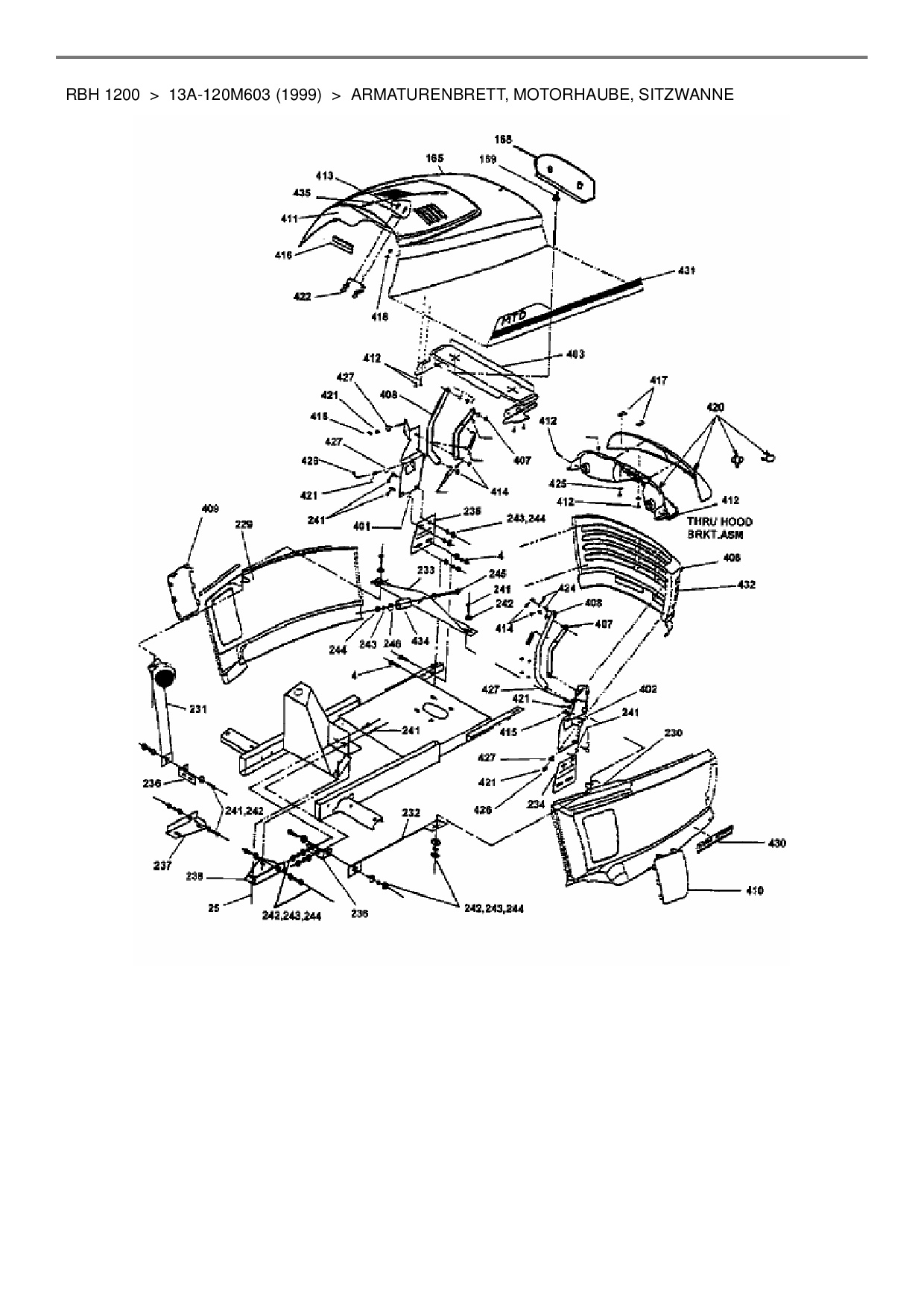
Armaturenbrett, Motorhaube, Sitzwanne

Zeichnung für Cub Cadet Rasentraktor RBH 1200 mit der Geräte-Artikelnr. 13A-120M603 ab Baujahr 1999:

Zeichnung Armaturenbrett, Motorhaube, Sitzwanne

Die Ersatzteil-Zeichnung für Rasentraktor Cub Cadet RBH 1200 als Download:
Download Ersatzteil-Zeichnung Cub Cadet RBH 1200 Zeichnung Armaturenbrett, Motorhaube, Sitzwanne (PDF-Format)
Download Ersatzteil-Zeichnung Cub Cadet RBH 1200 Zeichnung Armaturenbrett, Motorhaube, Sitzwanne (JPG-Format)

Sollten Sie Fragen zu einem Ersatzteil haben, können Sie uns gerne eine E-Mail (mit einem Foto vom Typenschild Ihres Gerätes) schreiben oder eine Ersatzteilanfrage stellen.

Ersatzteile für Rasentraktor Cub Cadet RBH 1200 aus der Zeichnung Armaturenbrett, Motorhaube, Sitzwanne:
Artikel 1 - 10 von 11

4,65 € *
Lieferzeit: 2 - 10 Werktage
4,65 € *
Lieferzeit: 2 - 10 Werktage
4,65 € *
Lieferzeit: 2 - 10 Werktage
137,22 € *
Lieferzeit: 2 - 10 Werktage
9,13 € *
Lieferzeit: 2 - 10 Werktage
6,60 € *
Lieferzeit: 2 - 10 Werktage
8,04 € *
Lieferzeit: 2 - 10 Werktage
14,02 € *
Lieferzeit: 2 - 10 Werktage
4,65 € *
Lieferzeit: 2 - 10 Werktage
47,28 € *
Lieferzeit: 2 - 10 Werktage

Artikel 1 - 10 von 11