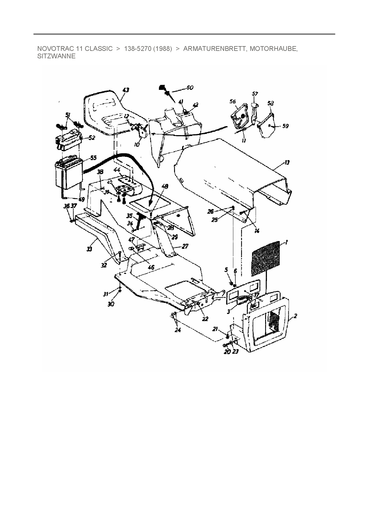
Armaturenbrett, Motorhaube, Sitzwanne

Zeichnung für Novotrac Rasentraktor NOVOTRAC 11 Classic mit der Geräte-Artikelnr. 138-5270 ab Baujahr 1988:

Zeichnung Armaturenbrett, Motorhaube, Sitzwanne

Die Ersatzteil-Zeichnung für Rasentraktor Novotrac NOVOTRAC 11 Classic als Download:
Download Ersatzteil-Zeichnung Novotrac NOVOTRAC 11 Classic Zeichnung Armaturenbrett, Motorhaube, Sitzwanne (PDF-Format)
Download Ersatzteil-Zeichnung Novotrac NOVOTRAC 11 Classic Zeichnung Armaturenbrett, Motorhaube, Sitzwanne (JPG-Format)

Sollten Sie Fragen zu einem Ersatzteil haben, können Sie uns gerne eine E-Mail (mit einem Foto vom Typenschild Ihres Gerätes) schreiben oder eine Ersatzteilanfrage stellen.

Ersatzteile für Rasentraktor Novotrac NOVOTRAC 11 Classic aus der Zeichnung Armaturenbrett, Motorhaube, Sitzwanne:
Artikel 1 - 33 von 33

8,88 € *
Lieferzeit: 2 - 10 Werktage
5,88 € *
Lieferzeit: 2 - 10 Werktage
5,88 € *
Lieferzeit: 2 - 10 Werktage
12,38 € *
Lieferzeit: 2 - 10 Werktage
5,88 € *
Lieferzeit: 2 - 10 Werktage
5,88 € *
Lieferzeit: 2 - 10 Werktage
5,88 € *
Lieferzeit: 2 - 10 Werktage
8,88 € *
Lieferzeit: 2 - 10 Werktage
4,88 € *
Lieferzeit: 2 - 10 Werktage
8,60 € *
Lieferzeit: 2 - 10 Werktage
22,08 € *
Lieferzeit: 2 - 10 Werktage

Artikel 1 - 33 von 33