Antriebssatz Zapfwelle

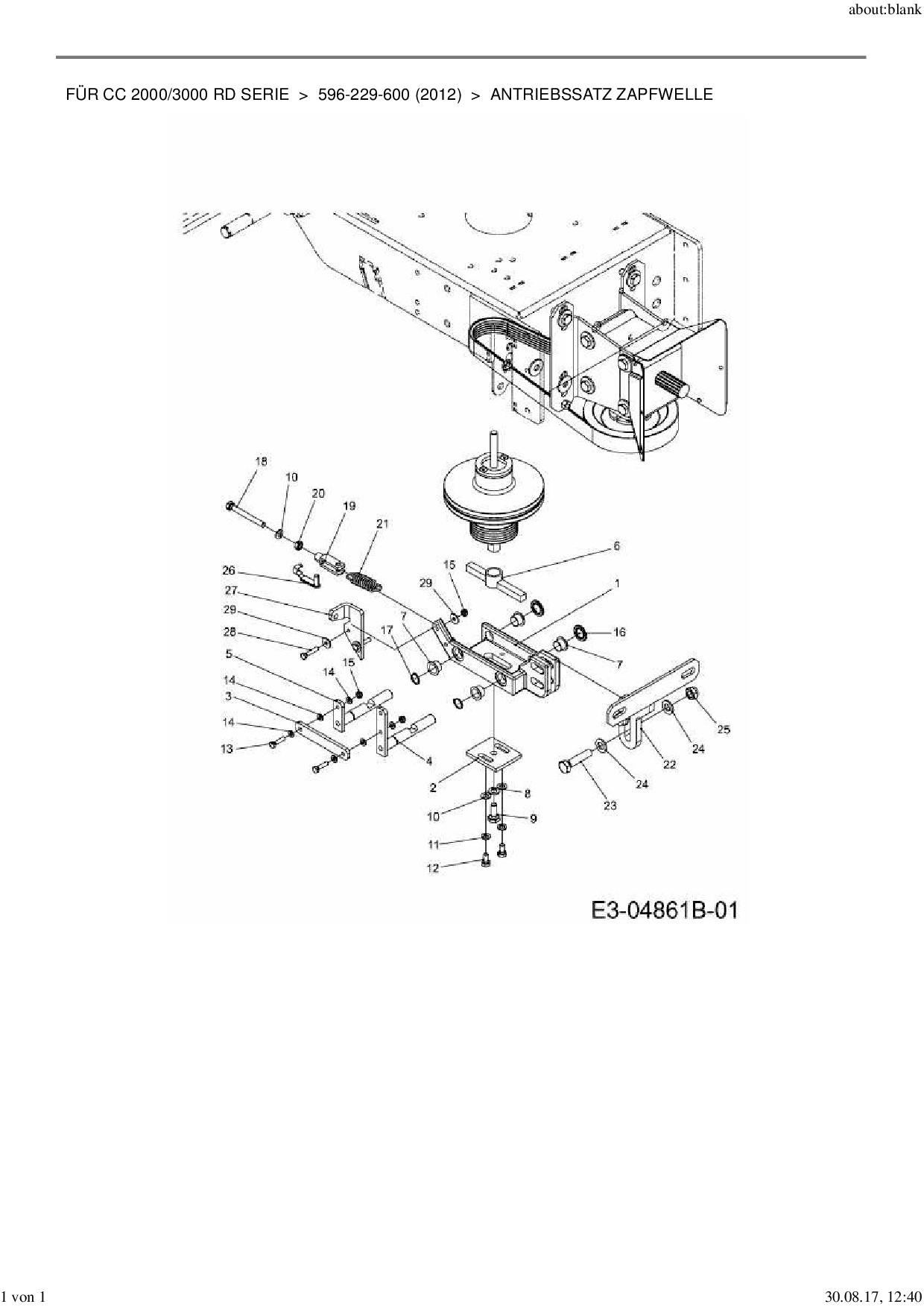
Zeichnung für Zubehör Kompakttraktoren Antriebssatz Zapfwelle für CC 2000/3000 RD Serie mit der Geräte-Artikelnr. 596-229-600 ab Baujahr 2012:

Zeichnung Antriebssatz Zapfwelle

Die Ersatzteil-Zeichnung für Antriebssatz Zapfwelle Zubehör Kompakttraktoren für CC 2000/3000 RD Serie als Download:
Download Ersatzteil-Zeichnung Zubehör Kompakttraktoren für CC 2000/3000 RD Serie Zeichnung Antriebssatz Zapfwelle (PDF-Format)
Download Ersatzteil-Zeichnung Zubehör Kompakttraktoren für CC 2000/3000 RD Serie Zeichnung Antriebssatz Zapfwelle (JPG-Format)

Sollten Sie Fragen zu einem Ersatzteil haben, können Sie uns gerne eine E-Mail (mit einem Foto vom Typenschild Ihres Gerätes) schreiben oder eine Ersatzteilanfrage stellen.

Ersatzteile für Antriebssatz Zapfwelle Zubehör Kompakttraktoren für CC 2000/3000 RD Serie aus der Zeichnung Antriebssatz Zapfwelle:
Artikel 1 - 20 von 20


Artikel 1 - 20 von 20