Antrieb

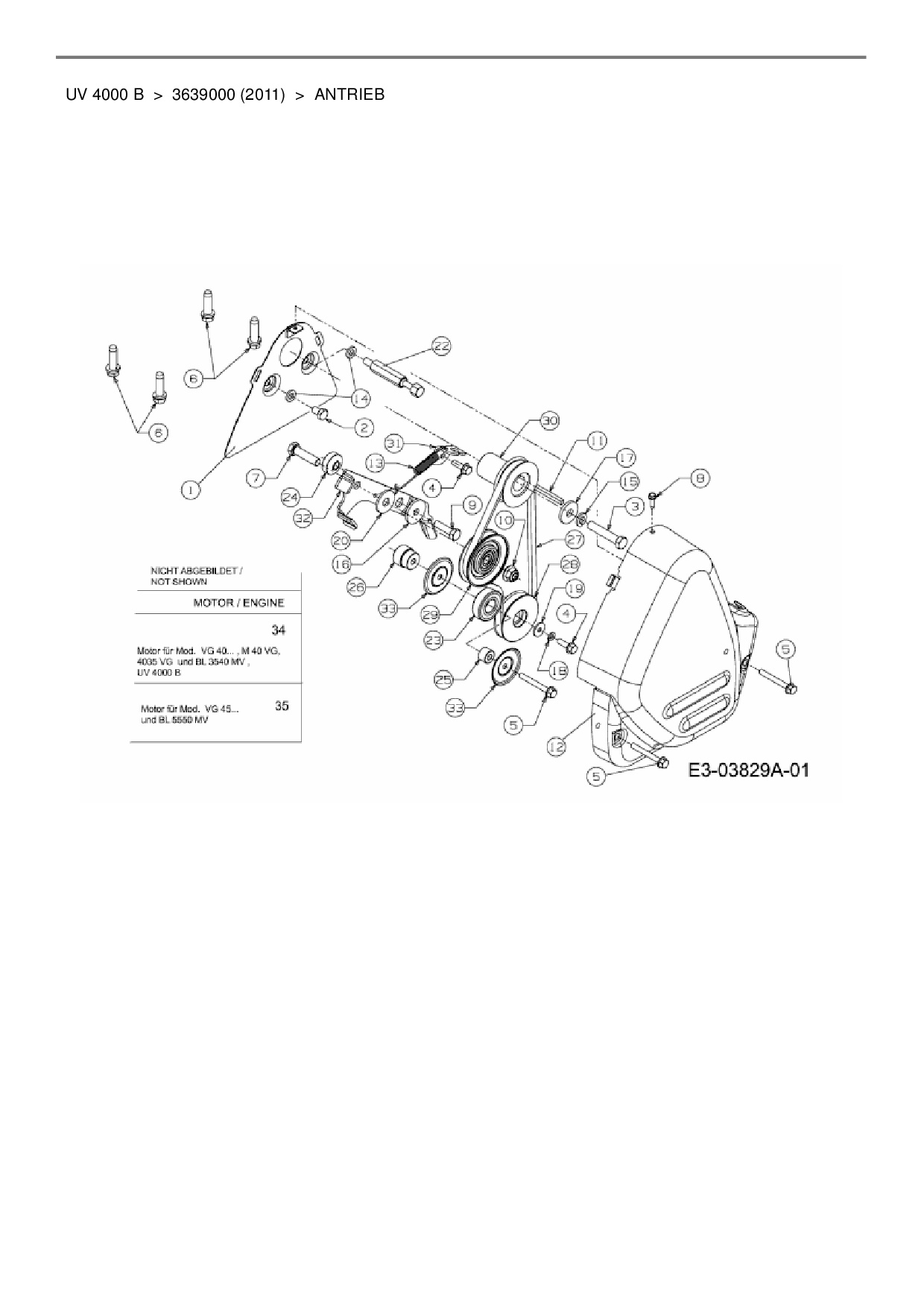
Zeichnung für Wolf-Garten Motorvertikutierer UV 4000 B mit der Geräte-Artikelnr. 3639000 ab Baujahr 2011:

Zeichnung Antrieb

Die Ersatzteil-Zeichnung für Motorvertikutierer Wolf-Garten UV 4000 B als Download:
Download Ersatzteil-Zeichnung Wolf-Garten UV 4000 B Zeichnung Antrieb (PDF-Format)
Download Ersatzteil-Zeichnung Wolf-Garten UV 4000 B Zeichnung Antrieb (JPG-Format)

Sollten Sie Fragen zu einem Ersatzteil haben, können Sie uns gerne eine E-Mail (mit einem Foto vom Typenschild Ihres Gerätes) schreiben oder eine Ersatzteilanfrage stellen.

Ersatzteile für Motorvertikutierer Wolf-Garten UV 4000 B aus der Zeichnung Antrieb:
Artikel 1 - 20 von 33

5,88 € *
Lieferzeit: 2 - 10 Werktage
4,90 € *
Lieferzeit: 2 - 10 Werktage
4,88 € *
Lieferzeit: 2 - 10 Werktage

Artikel 1 - 20 von 33