Antrieb

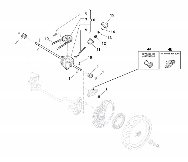
Zeichnung von Stiga Benzin-Rasenmäher ab 2015 Combi 48 S (Geräte Nr 295486048/S14):

Klicken Sie auf diese Zeichnung

Sollten Sie Fragen zu einem Ersatzteil haben, können Sie uns gerne eine Ersatzteilanfrage stellen.

Hier finden Sie alle Ersatzteile von Stiga Benzin-Rasenmäher ab 2015 Combi 48 S (Geräte Nr 295486048/S14) aus dem Zeichnungsblatt Antrieb:
Artikel 1 - 16 von 16


Artikel 1 - 16 von 16