Antrieb, Getriebe

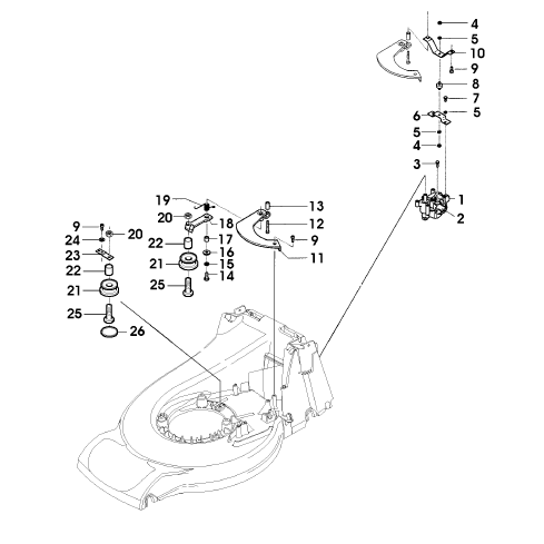
Zeichnung Sabo Rasenmäher Benzin-Rasenmäher 47-VARIO EDV-NR.SA771 Antrieb, Getriebe:

Klicken Sie auf diese Zeichnung

Sollten Sie Fragen zu einem Ersatzteil haben, können Sie uns gerne eine Ersatzteilanfrage stellen.

Hier finden Sie alle Ersatzteile von Sabo Rasenmäher Benzin-Rasenmäher 47-VARIO EDV-NR.SA771 Antrieb, Getriebe:
Artikel 1 - 10 von 26


Artikel 1 - 10 von 26