Anschnallgurte, Überrollbügel

Zeichnung für Massey Ferguson Utility Vehicle MF 20 MD mit der Geräte-Artikelnr. 37AK468D695R ab Baujahr 2016:

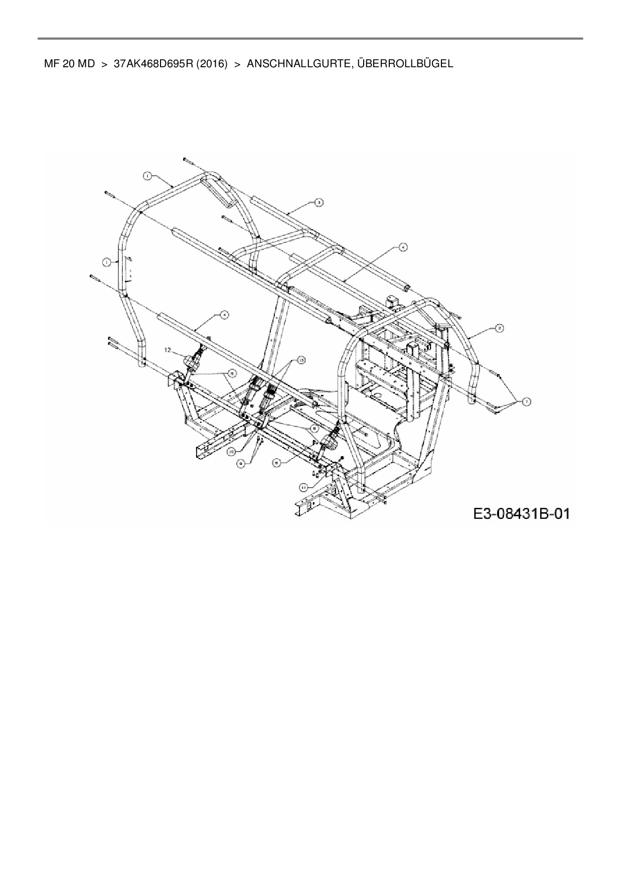
Zeichnung Anschnallgurte, Überrollbügel

Die Ersatzteil-Zeichnung für Utility Vehicle Massey Ferguson MF 20 MD als Download:
Download Ersatzteil-Zeichnung Massey Ferguson MF 20 MD Zeichnung Anschnallgurte, Überrollbügel (PDF-Format)
Download Ersatzteil-Zeichnung Massey Ferguson MF 20 MD Zeichnung Anschnallgurte, Überrollbügel (JPG-Format)

Sollten Sie Fragen zu einem Ersatzteil haben, können Sie uns gerne eine E-Mail (mit einem Foto vom Typenschild Ihres Gerätes) schreiben oder eine Ersatzteilanfrage stellen.

Ersatzteile für Utility Vehicle Massey Ferguson MF 20 MD aus der Zeichnung Anschnallgurte, Überrollbügel:
Artikel 1 - 12 von 12

21,76 € *
Lieferzeit: 2 - 10 Werktage
41,32 € *
Lieferzeit: 2 - 10 Werktage
106,98 € *
Lieferzeit: 2 - 10 Werktage
57,94 € *
Lieferzeit: 2 - 10 Werktage

Artikel 1 - 12 von 12