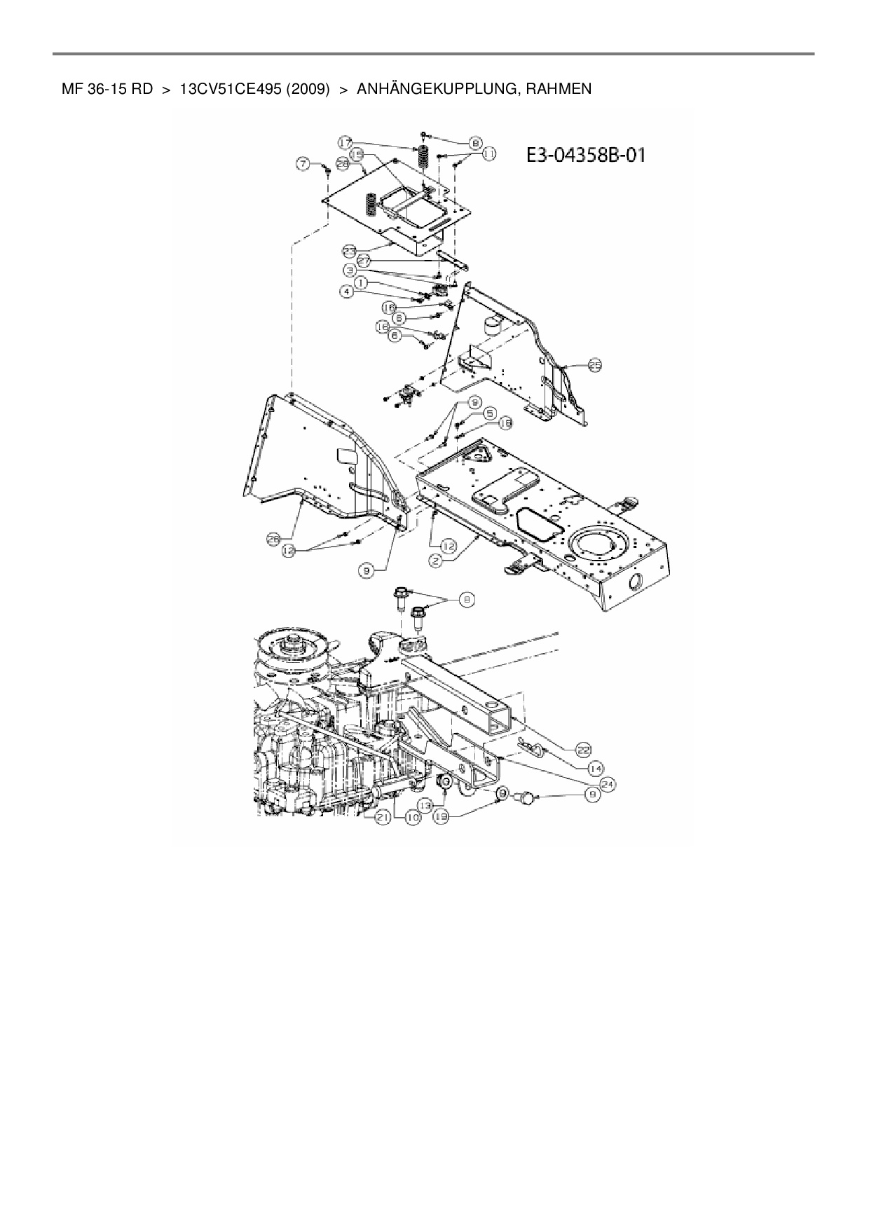
Anhängekupplung, Rahmen

Zeichnung für Massey Ferguson Rasentraktor MF 36-15 RD mit der Geräte-Artikelnr. 13CV51CE495 ab Baujahr 2009:

Zeichnung Anhängekupplung, Rahmen

Die Ersatzteil-Zeichnung für Rasentraktor Massey Ferguson MF 36-15 RD als Download:
Download Ersatzteil-Zeichnung Massey Ferguson MF 36-15 RD Zeichnung Anhängekupplung, Rahmen (PDF-Format)
Download Ersatzteil-Zeichnung Massey Ferguson MF 36-15 RD Zeichnung Anhängekupplung, Rahmen (JPG-Format)

Sollten Sie Fragen zu einem Ersatzteil haben, können Sie uns gerne eine E-Mail (mit einem Foto vom Typenschild Ihres Gerätes) schreiben oder eine Ersatzteilanfrage stellen.

Ersatzteile für Rasentraktor Massey Ferguson MF 36-15 RD aus der Zeichnung Anhängekupplung, Rahmen:
Artikel 1 - 10 von 24


Artikel 1 - 10 von 24