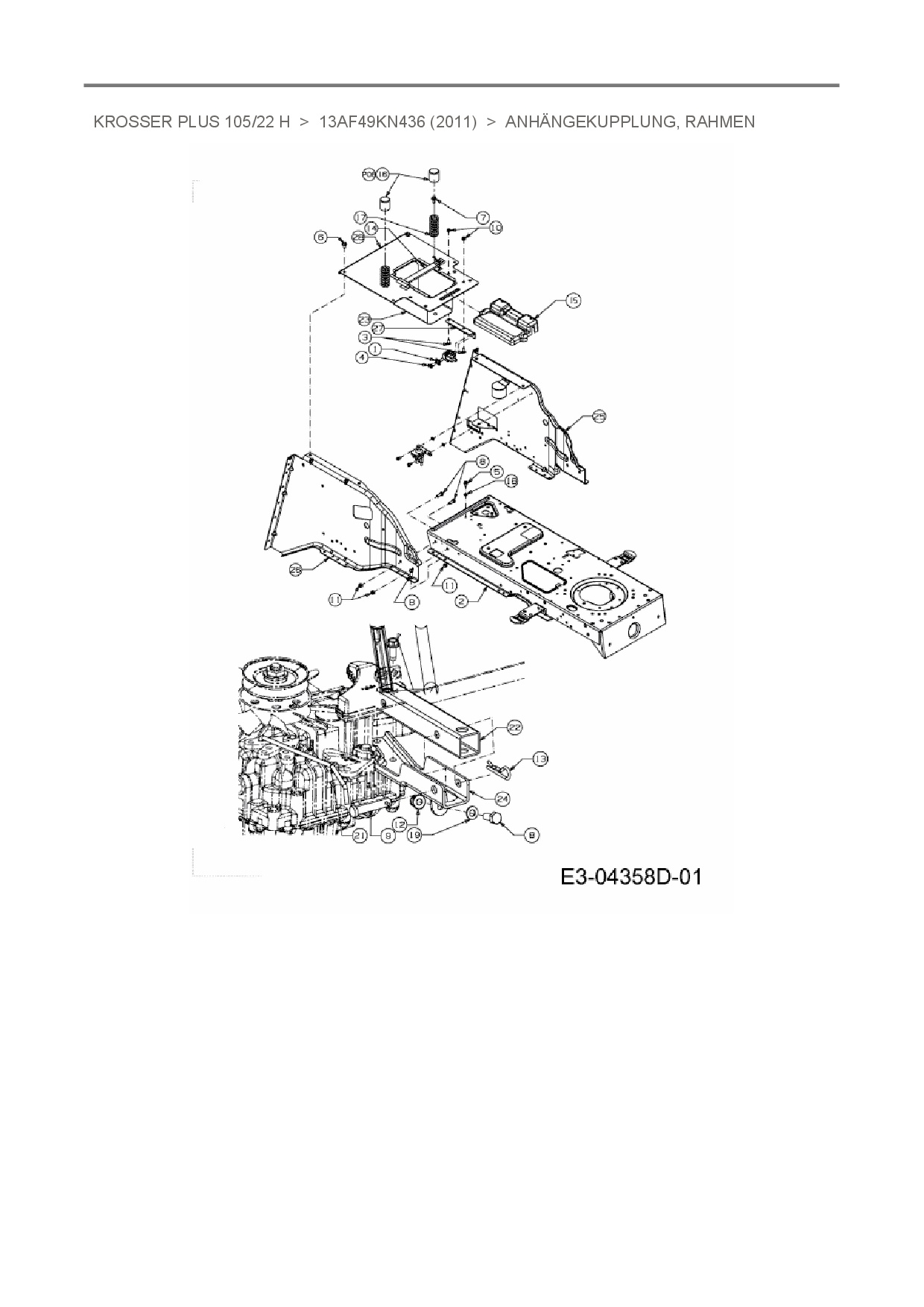
Anhängekupplung, Rahmen

Zeichnung für Oleo-Mac Rasentraktor Krosser Plus 105/22 H mit der Geräte-Artikelnr. 13AF49KN436 ab Baujahr 2011:

Zeichnung Anhängekupplung, Rahmen

Die Ersatzteil-Zeichnung für Rasentraktor Oleo-Mac Krosser Plus 105/22 H als Download:
Download Ersatzteil-Zeichnung Oleo-Mac Krosser Plus 105/22 H Zeichnung Anhängekupplung, Rahmen (PDF-Format)
Download Ersatzteil-Zeichnung Oleo-Mac Krosser Plus 105/22 H Zeichnung Anhängekupplung, Rahmen (JPG-Format)

Sollten Sie Fragen zu einem Ersatzteil haben, können Sie uns gerne eine E-Mail (mit einem Foto vom Typenschild Ihres Gerätes) schreiben oder eine Ersatzteilanfrage stellen.

Ersatzteile für Rasentraktor Oleo-Mac Krosser Plus 105/22 H aus der Zeichnung Anhängekupplung, Rahmen:
Artikel 1 - 20 von 20

27,10 € *
Lieferzeit: 2 - 10 Werktage
22,67 € *
Lieferzeit: 2 - 10 Werktage
5,88 € *
Lieferzeit: 2 - 10 Werktage
38,44 € *
Lieferzeit: 2 - 10 Werktage

Artikel 1 - 20 von 20