Achsen, Höhenverstellung

Zeichnung für Mr. Gardener Motormäher mit Antrieb HW 53 BA-2 mit der Geräte-Artikelnr. 12B-PN7B629 ab Baujahr 2018:

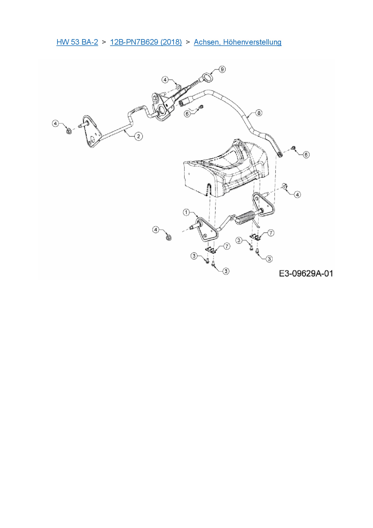
Zeichnung Achsen, Höhenverstellung

Die Ersatzteil-Zeichnung für Motormäher mit Antrieb Mr. Gardener HW 53 BA-2 als Download:
Download Ersatzteil-Zeichnung Mr. Gardener HW 53 BA-2 Zeichnung Achsen, Höhenverstellung (PDF-Format)
Download Ersatzteil-Zeichnung Mr. Gardener HW 53 BA-2 Zeichnung Achsen, Höhenverstellung (JPG-Format)

Sollten Sie Fragen zu einem Ersatzteil haben, können Sie uns gerne eine E-Mail (mit einem Foto vom Typenschild Ihres Gerätes) schreiben oder eine Ersatzteilanfrage stellen.

Ersatzteile für Motormäher mit Antrieb Mr. Gardener HW 53 BA-2 aus der Zeichnung Achsen, Höhenverstellung:
Artikel 1 - 8 von 8


Artikel 1 - 8 von 8