ANTRIEB

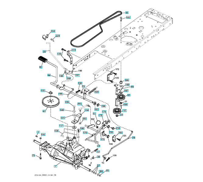
Ersatzteile für Husqvarna Gartentraktor LT152 ( 96041002904, 2008-09 ) ANTRIEB:

Zeichnung für Husqvarna Gartentraktor LT152 ( 96041002904, 2008-09 ) ANTRIEB

Sollten Sie Fragen zu einem Ersatzteil von LT152 ( 96041002904, 2008-09 ) haben, können Sie uns gerne eine Ersatzteilanfrage (mit einem Foto vom Typenschild Ihres Gerätes) stellen.

Folgende Ersatzteile für Husqvarna Gartentraktor LT152 ( 96041002904, 2008-09 ) ANTRIEB können Sie hier bestellen:
Artikel 1 - 10 von 53