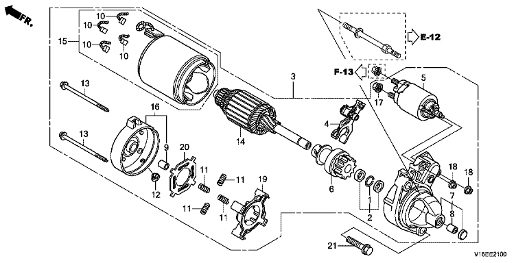
ANLASSER

Ersatzteile für Honda Schneefräsen HSM1380IK1 ETD (ETD/A) Baugruppe ANLASSER

Zeichnung

Sollten Sie Fragen zu einem Ersatzteil vom Honda Schneefräsen HSM1380IK1 ETD (ETD/A) haben, können Sie uns gerne eine E-Mail (mit einem Foto vom Typenschild Ihres Gerätes) schreiben oder eine Ersatzteilanfrage stellen.

Folgende Ersatzteile für Honda Schneefräsen HSM1380IK1 ETD (ETD/A) können Sie hier bestellen:
Artikel 1 - 10 von 18


Artikel 1 - 10 von 18