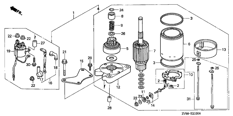
ANLASSER

Ersatzteile für Honda Außenbordmotoren BF30A1 LRSA (LRSA) Baugruppe ANLASSER

Zeichnung

Sollten Sie Fragen zu einem Ersatzteil vom Honda Außenbordmotoren BF30A1 LRSA (LRSA) haben, können Sie uns gerne eine E-Mail (mit einem Foto vom Typenschild Ihres Gerätes) schreiben oder eine Ersatzteilanfrage stellen.

Folgende Ersatzteile für Honda Außenbordmotoren BF30A1 LRSA (LRSA) können Sie hier bestellen:
Artikel 1 - 20 von 27

171,10 € *
Lieferzeit: 2 - 10 Werktage
10,71 € *
Lieferzeit: 2 - 10 Werktage
19,42 € *
Lieferzeit: 2 - 10 Werktage
380,21 € *
Lieferzeit: 2 - 10 Werktage
327,99 € *
Lieferzeit: 2 - 10 Werktage
10,01 € *
Lieferzeit: 2 - 10 Werktage
16,94 € *
Lieferzeit: 2 - 10 Werktage

Artikel 1 - 20 von 27