36 E COMBI CARE COMFORT (113465)

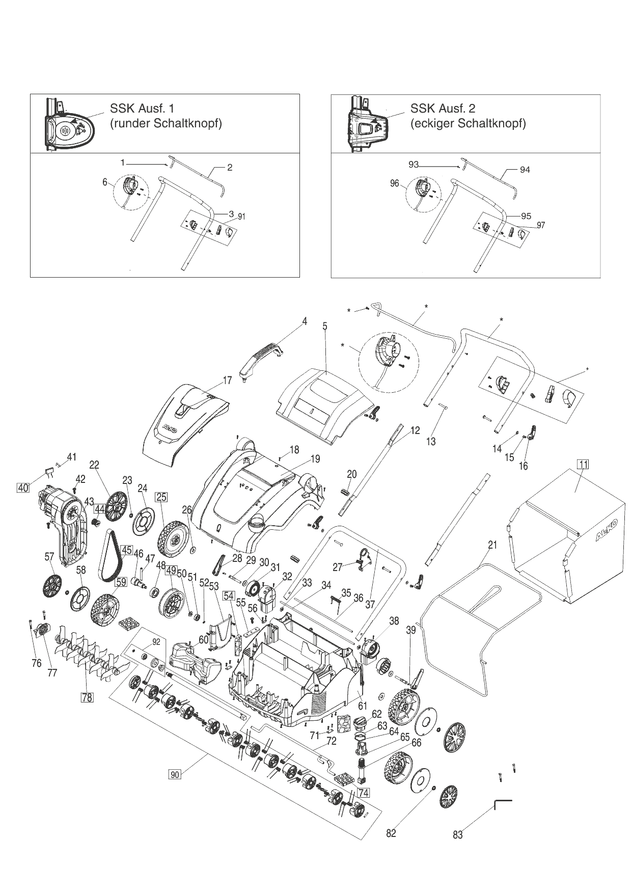
Zeichnung AL-KO Vertikutierer 36 E COMBI CARE COMFORT (113465) :

Zeichnung 1

Sollten Sie Fragen zu einem Ersatzteil haben, können Sie uns gerne eine Ersatzteilanfrage stellen.

Hier finden Sie alle Ersatzteile für AL-KO Vertikutierer 36 E COMBI CARE COMFORT (113465) :

Artikel 1 - 10 von 74