12/2019 - 04/2020

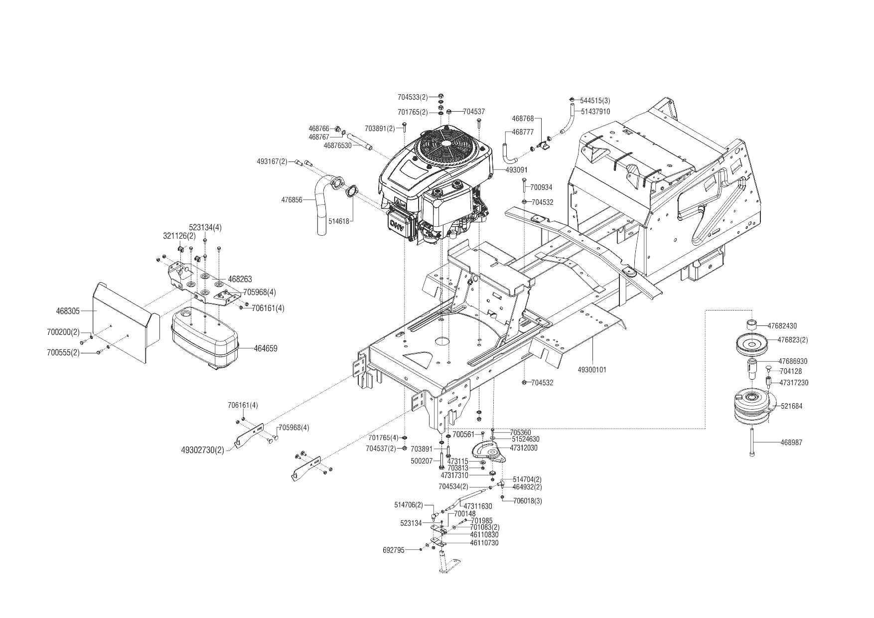
Zeichnung Solo by AL-KO Rasentraktor T13-93.7 HDS-A COMFORT (127471) 12/2019 - 04/2020:

Zeichnung 1
Zeichnung 2
Zeichnung 3
Zeichnung 4
Zeichnung 5
Zeichnung 5
Zeichnung 5
Zeichnung 5
Zeichnung 5
Zeichnung 5

Sollten Sie Fragen zu einem Ersatzteil haben, können Sie uns gerne eine Ersatzteilanfrage stellen.

Hier finden Sie alle Ersatzteile für Solo by AL-KO Rasentraktor T13-93.7 HDS-A COMFORT (127471) 12/2019 - 04/2020:
Artikel 1 - 20 von 344