12/2015 - 03/2016

Zeichnung AL-KO Rasentraktor T17-102 HD PRO HVC (119759) 12/2015 - 03/2016:

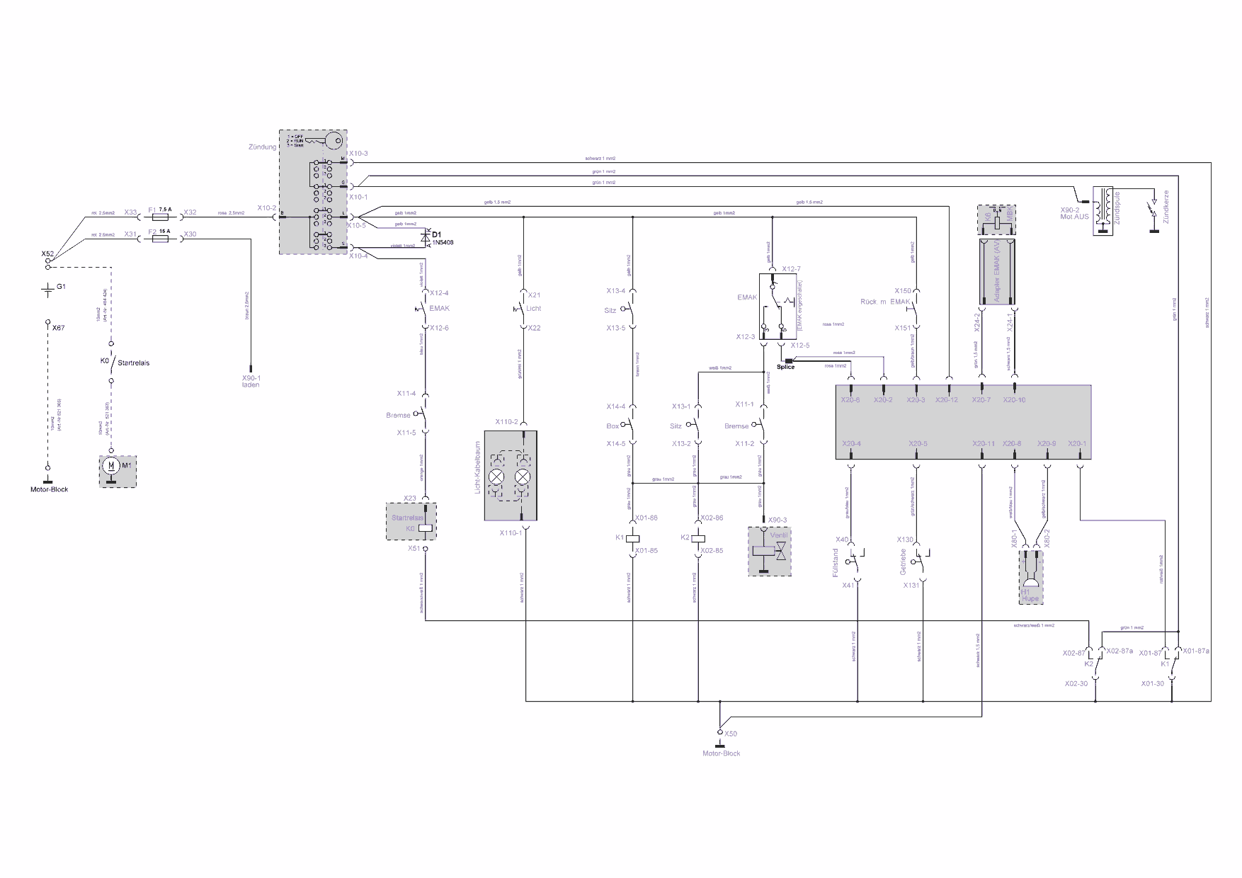
Zeichnung 1
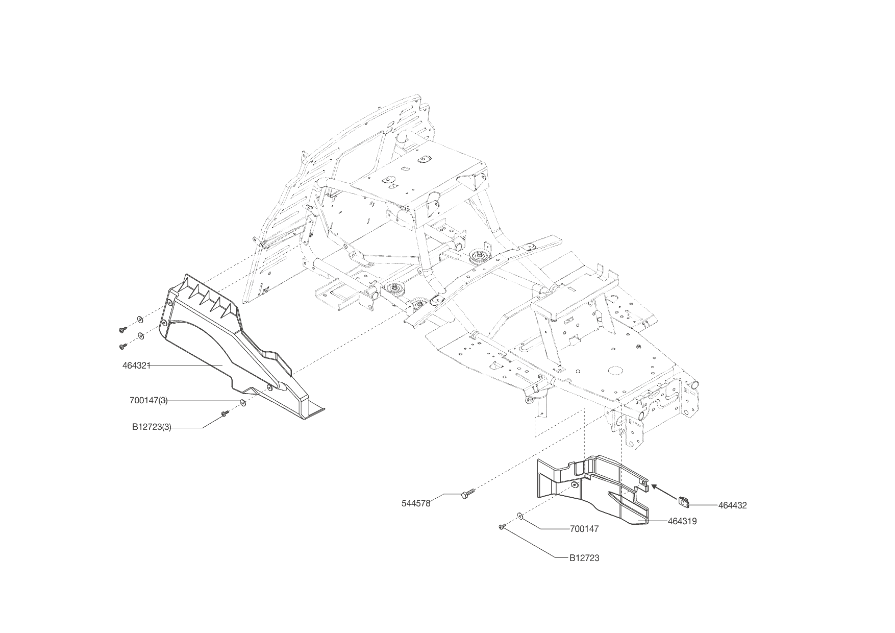
Zeichnung 2
Zeichnung 2
Zeichnung 2
Zeichnung 2
Zeichnung 2
Zeichnung 2
Zeichnung 2
Zeichnung 2
Zeichnung 2
Zeichnung 2

Sollten Sie Fragen zu einem Ersatzteil haben, können Sie uns gerne eine Ersatzteilanfrage stellen.

Hier finden Sie alle Ersatzteile für AL-KO Rasentraktor T17-102 HD PRO HVC (119759) 12/2015 - 03/2016:

Artikel 1 - 20 von 421