12/2013 - 09/2014

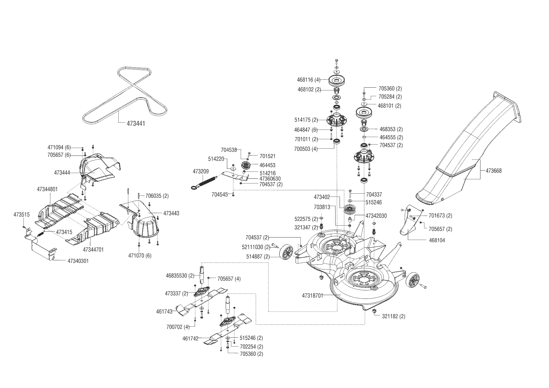
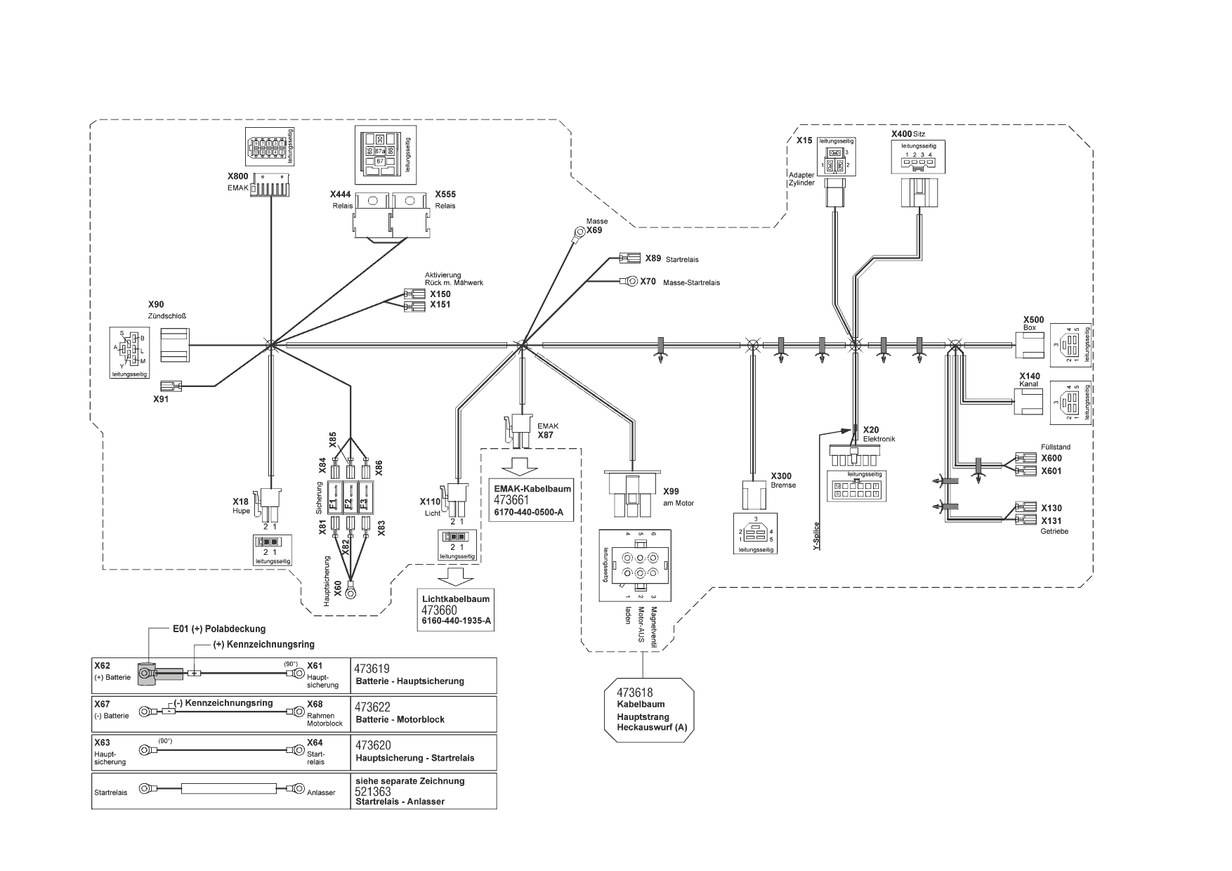
Zeichnungen von Powerline Rasentraktor T 15-95.4 HD-A 12/2013 - 09/2014 mit der Geräte-Artikelnr. 119347:

Zeichnung 1
Zeichnung 2
Zeichnung 3
Zeichnung 4
Zeichnung 5
Zeichnung 6
Zeichnung 7
Zeichnung 8
Zeichnung 9
Zeichnung 10
Zeichnung 11

Nicht alle Ersatzteile von Powerline Rasentraktor T 15-95.4 HD-A (119347) 12/2013 - 09/2014 sind immer lieferbar/vorrätig.
Sollten Sie Fragen zu einem Ersatzteil haben, können Sie uns gerne Mail schreiben oder eine Ersatzteilanfrage stellen.
Ersatzteile von Rasentraktor T 15-95.4 HD-A:
Artikel 1 - 10 von 405