12/2013 - 03/2015

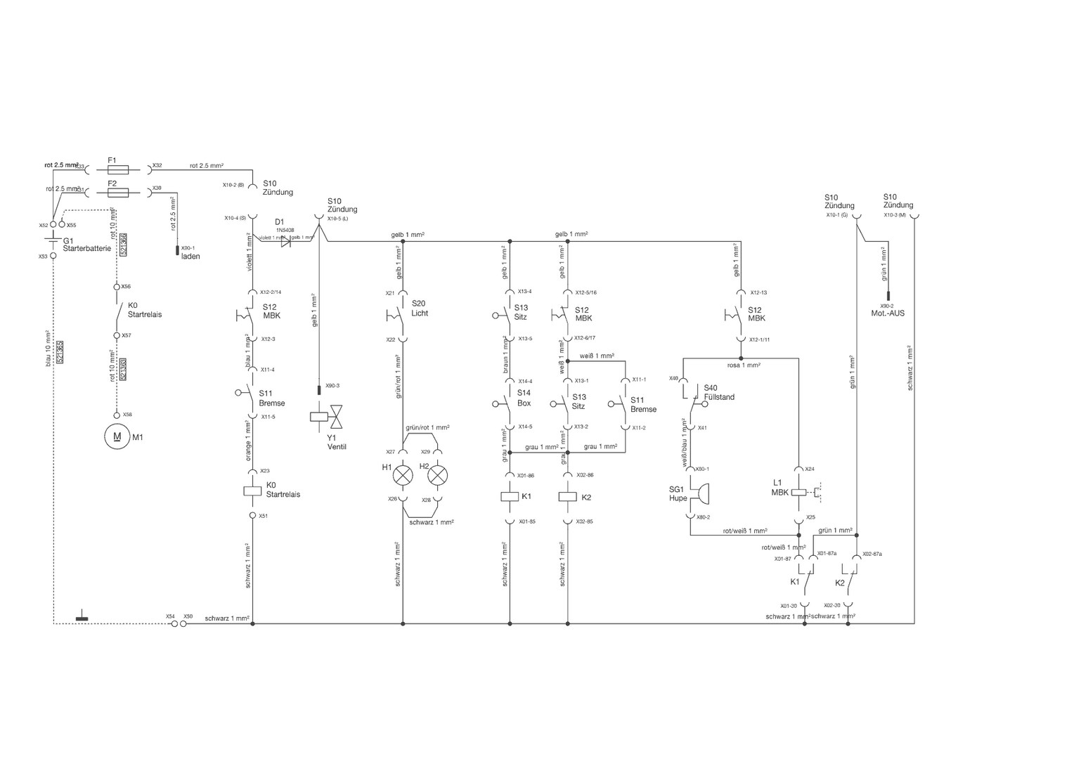
Zeichnungen von AL-KO Rasentraktor Comfort T 954 HD-A 12/2013 - 03/2015 mit der Geräte-Artikelnr. 119626:

Zeichnung 1
Zeichnung 2
Zeichnung 3
Zeichnung 4
Zeichnung 5
Zeichnung 6
Zeichnung 7
Zeichnung 8
Zeichnung 9

Nicht alle Ersatzteile von AL-KO Rasentraktor Comfort T 954 HD-A (119626) 12/2013 - 03/2015 sind immer lieferbar/vorrätig.
Sollten Sie Fragen zu einem Ersatzteil haben, können Sie uns gerne Mail schreiben oder eine Ersatzteilanfrage stellen.
Ersatzteile von Rasentraktor Comfort T 954 HD-A:
Artikel 1 - 20 von 401

133,68 € *
Lieferzeit: 2 - 10 Werktage