12/2008 - 03/2009

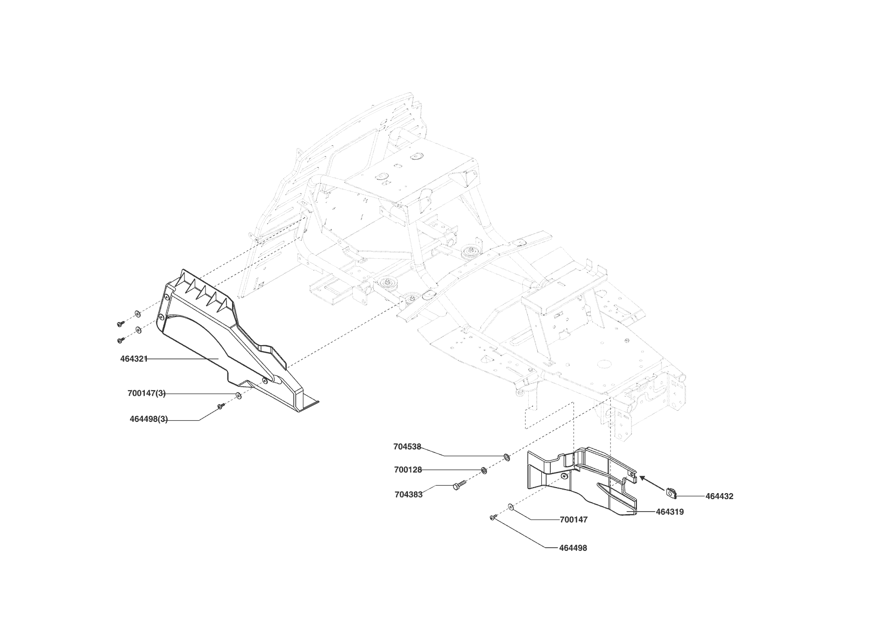
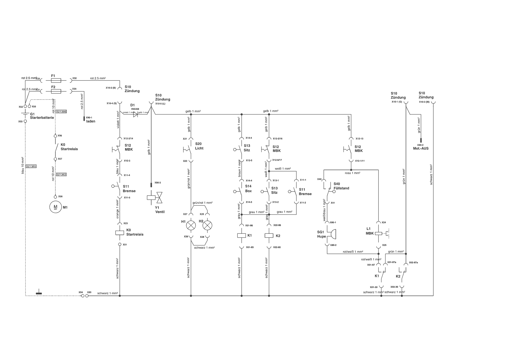
Zeichnungen von Powerline Rasentraktor T17-102 SP-H V2 12/2008 - 03/2009 mit der Geräte-Artikelnr. 871079:

Zeichnung 1
Zeichnung 2
Zeichnung 3
Zeichnung 4
Zeichnung 5
Zeichnung 6
Zeichnung 7
Zeichnung 8
Zeichnung 9
Zeichnung 10
Zeichnung 11

Nicht alle Ersatzteile von Powerline Rasentraktor T17-102 SP-H V2 (871079) 12/2008 - 03/2009 sind immer lieferbar/vorrätig.
Sollten Sie Fragen zu einem Ersatzteil haben, können Sie uns gerne Mail schreiben oder eine Ersatzteilanfrage stellen.
Ersatzteile von Rasentraktor T17-102 SP-H V2:
Artikel 1 - 20 von 394

133,68 € *
Lieferzeit: 2 - 10 Werktage