11/2022 - 11/2023

Zeichnung AL-KO Rasentraktor 18-111.2 HDS COMFORT (123015) 11/2022 - 11/2023:

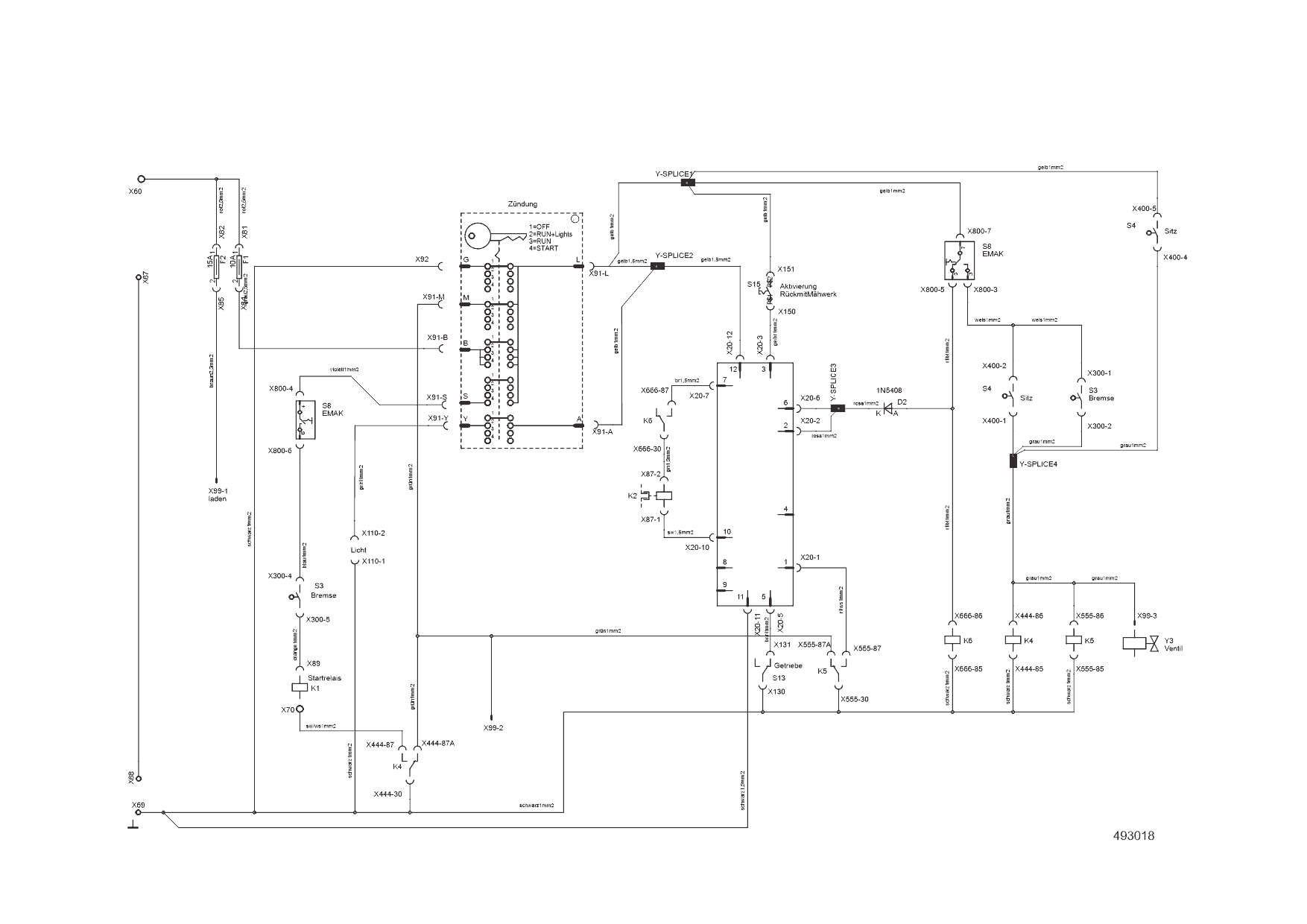
Zeichnung 1
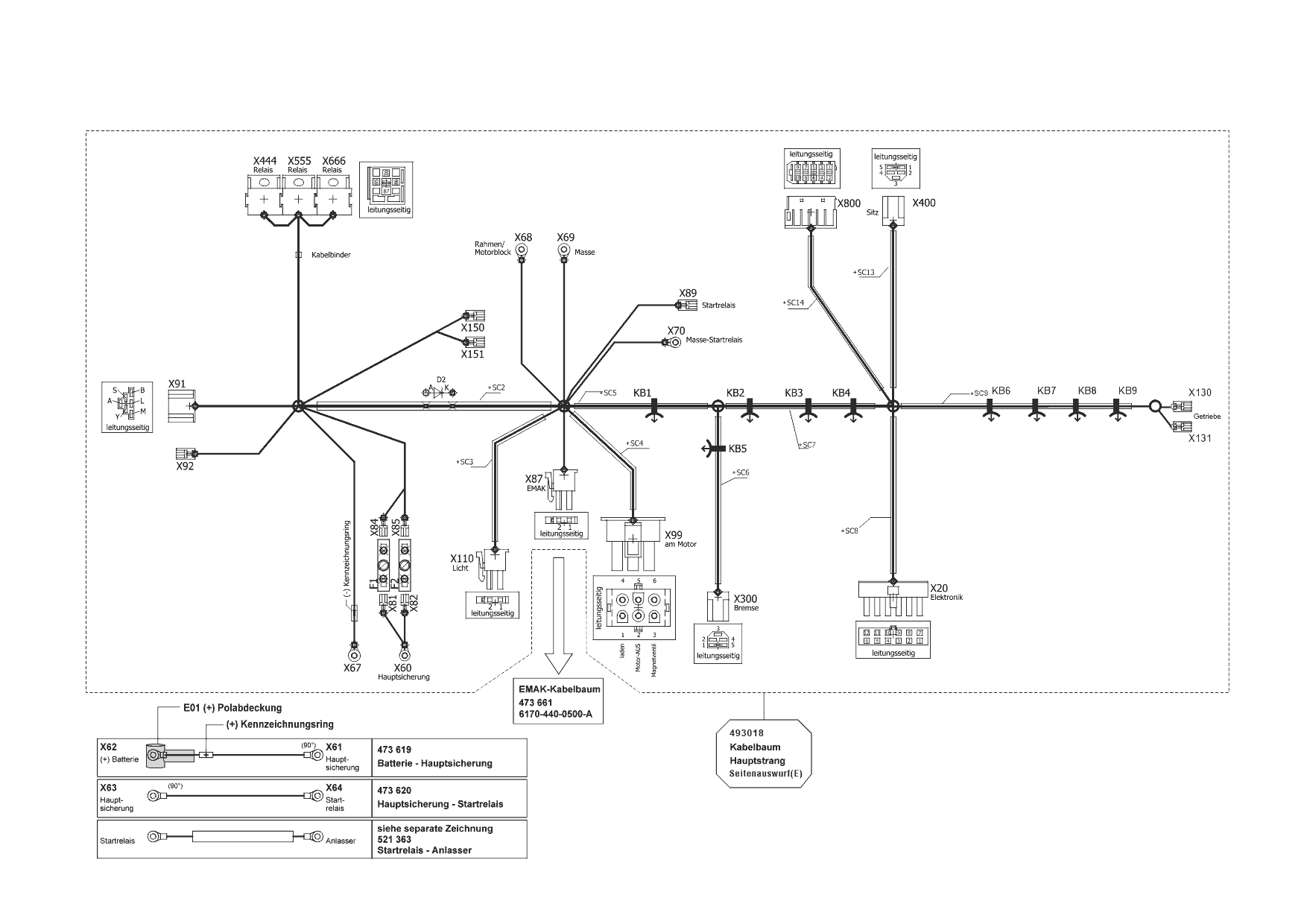
Zeichnung 2
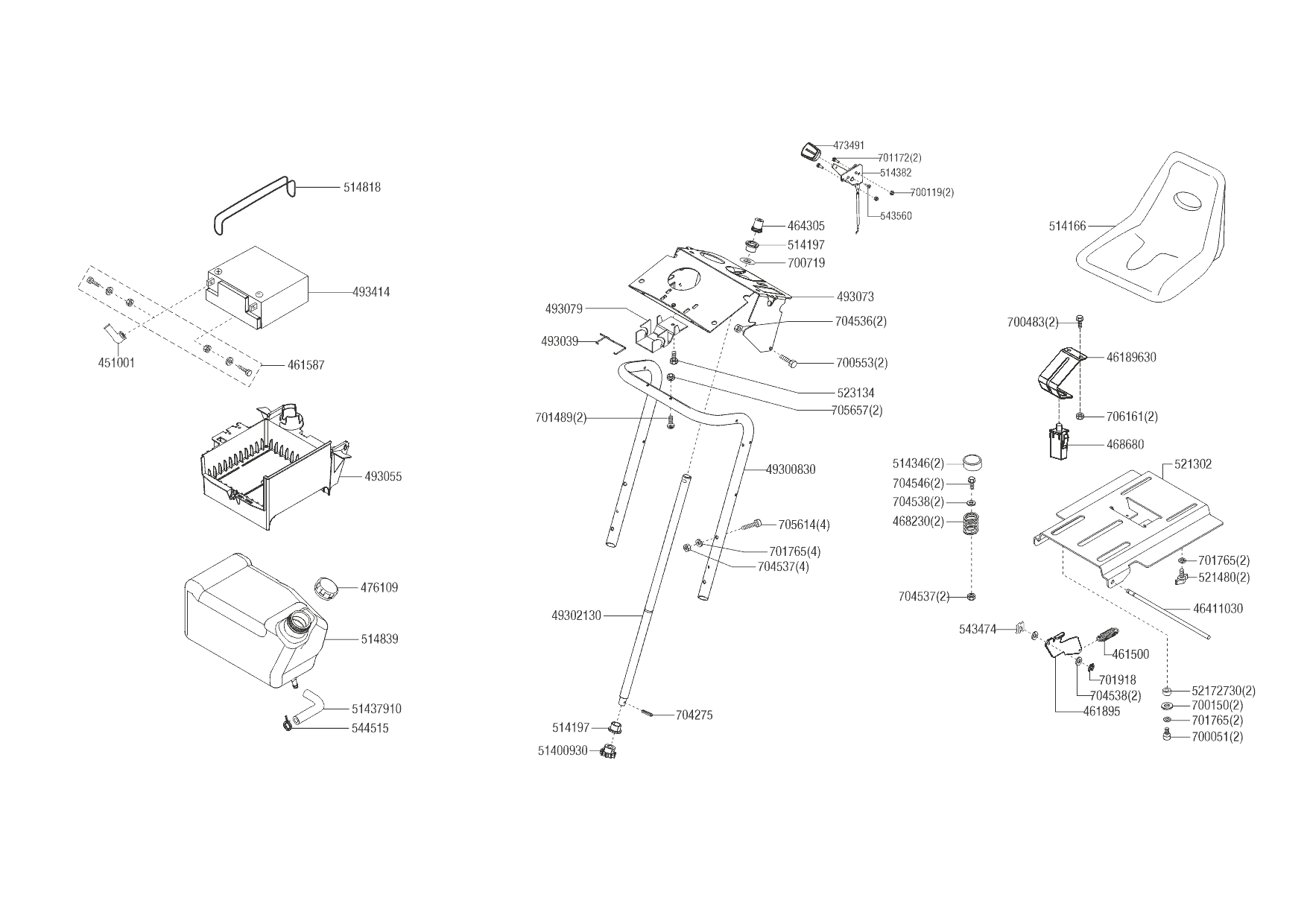
Zeichnung 3
Zeichnung 4
Zeichnung 5
Zeichnung 5
Zeichnung 5
Zeichnung 5
Zeichnung 5
Zeichnung 5

Sollten Sie Fragen zu einem Ersatzteil haben, können Sie uns gerne eine Ersatzteilanfrage stellen.

Hier finden Sie alle Ersatzteile für AL-KO Rasentraktor 18-111.2 HDS COMFORT (123015) 11/2022 - 11/2023:
Artikel 1 - 40 von 336