11/2022 - 04/2023

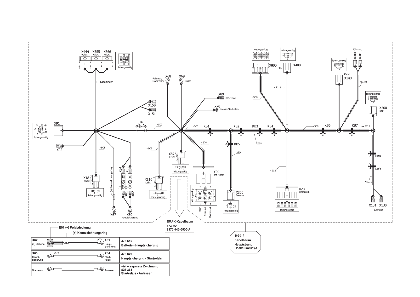
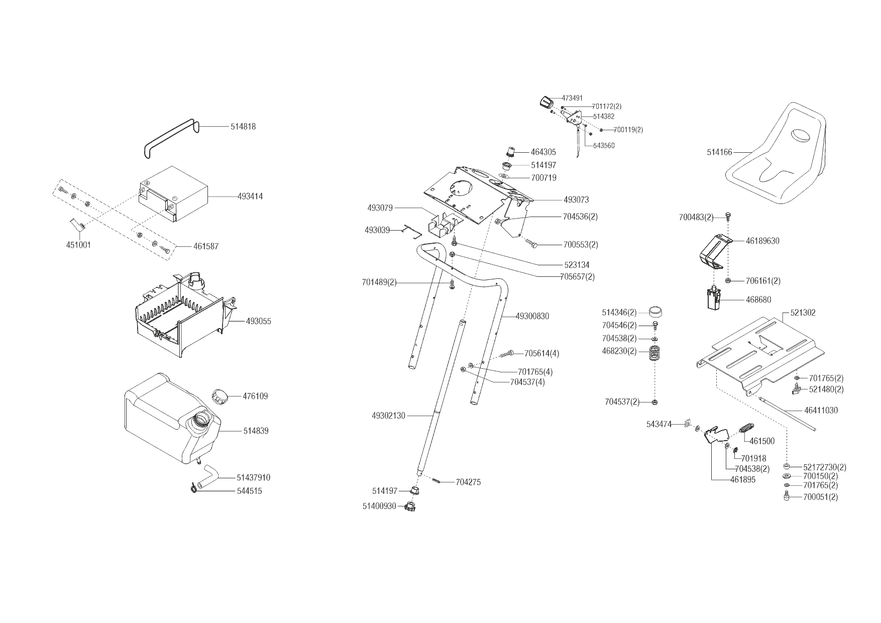
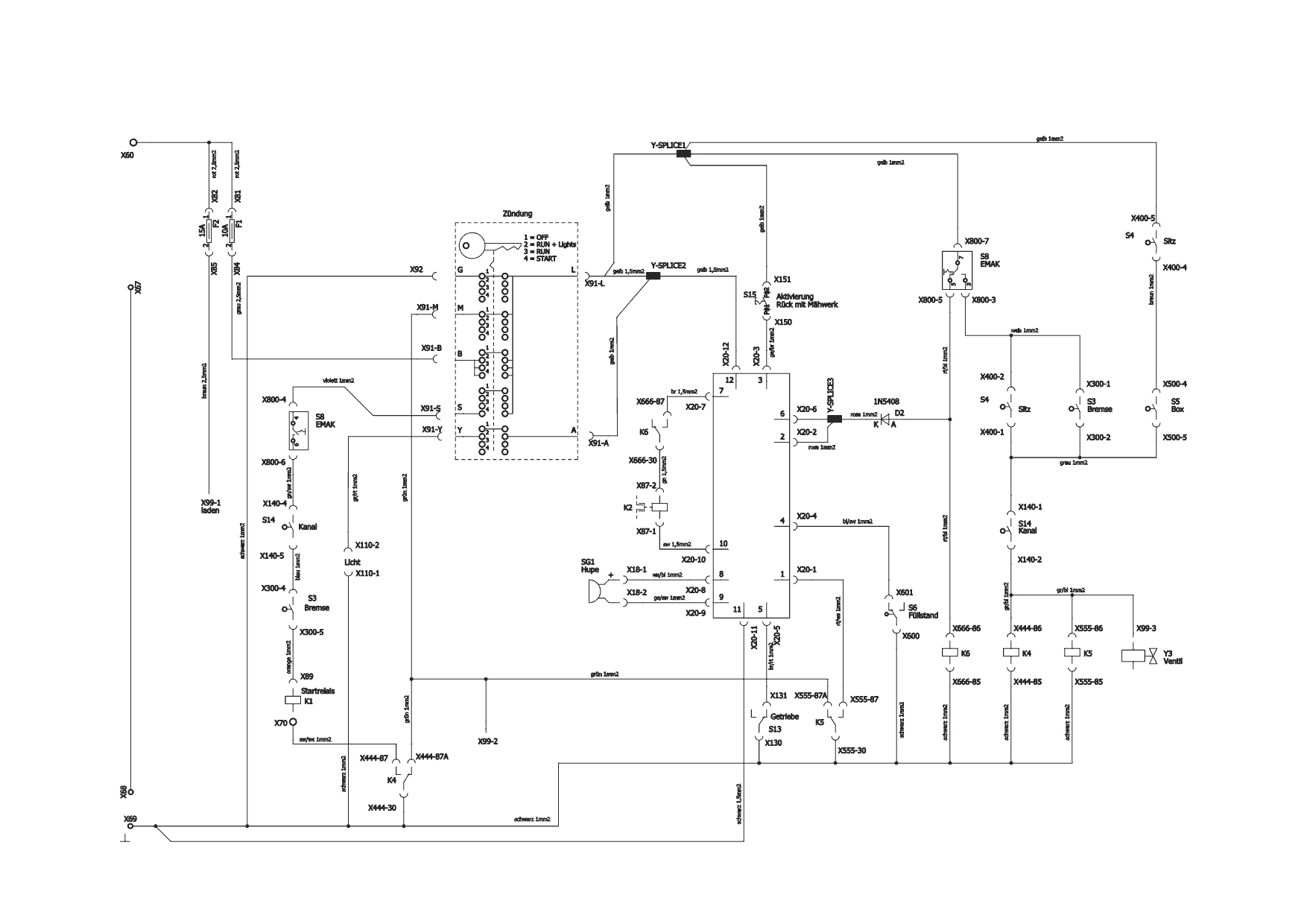
Zeichnung AL-KO Rasentraktor 18-103.2 HD COMFORT (123016) 11/2022 - 04/2023:

Zeichnung 1
Zeichnung 2
Zeichnung 3
Zeichnung 4
Zeichnung 5
Zeichnung 5
Zeichnung 5
Zeichnung 5
Zeichnung 5
Zeichnung 5
Zeichnung 5

Sollten Sie Fragen zu einem Ersatzteil haben, können Sie uns gerne eine Ersatzteilanfrage stellen.

Hier finden Sie alle Ersatzteile für AL-KO Rasentraktor 18-103.2 HD COMFORT (123016) 11/2022 - 04/2023:
Artikel 1 - 10 von 375