11/2010 - 02/2011

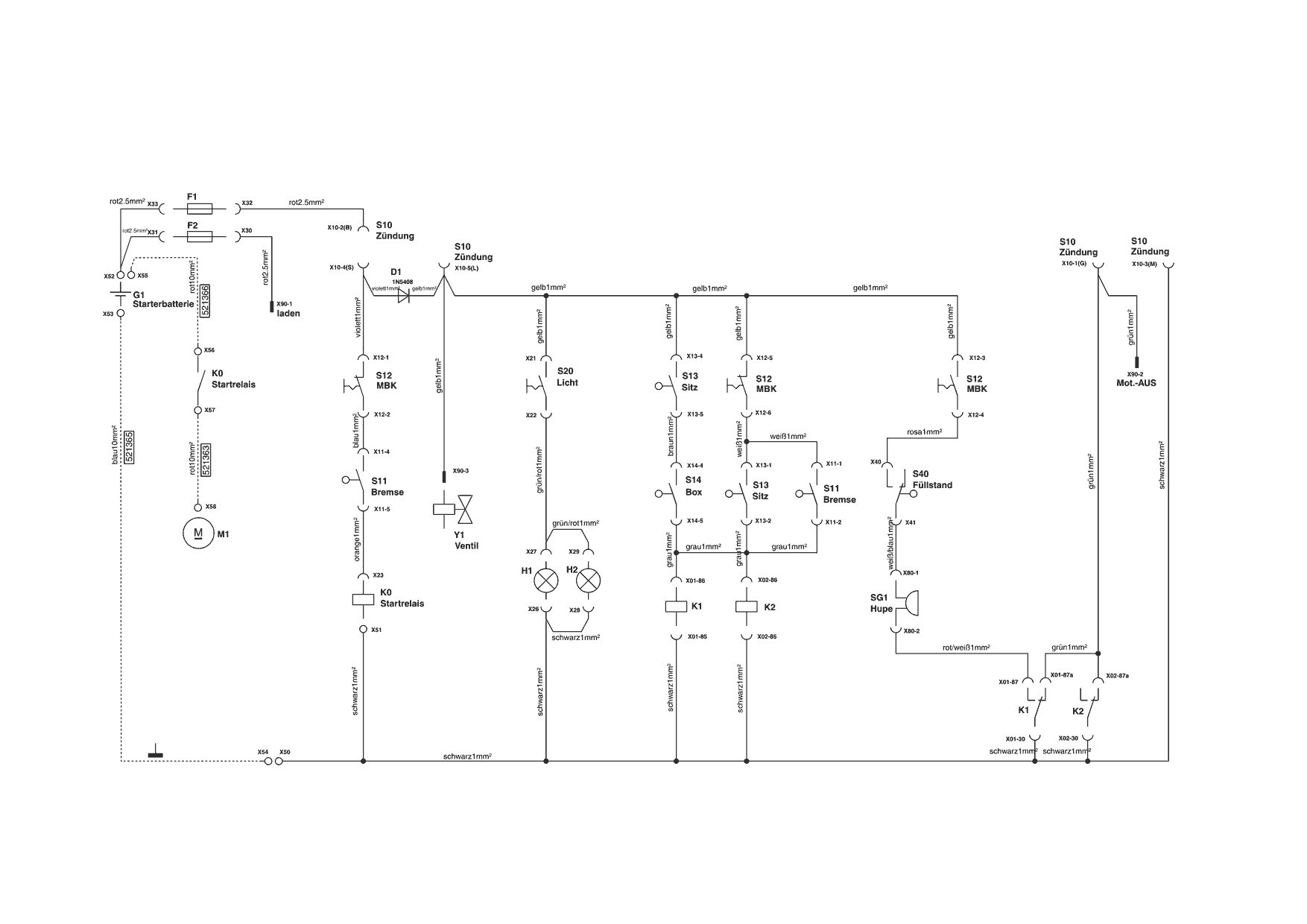
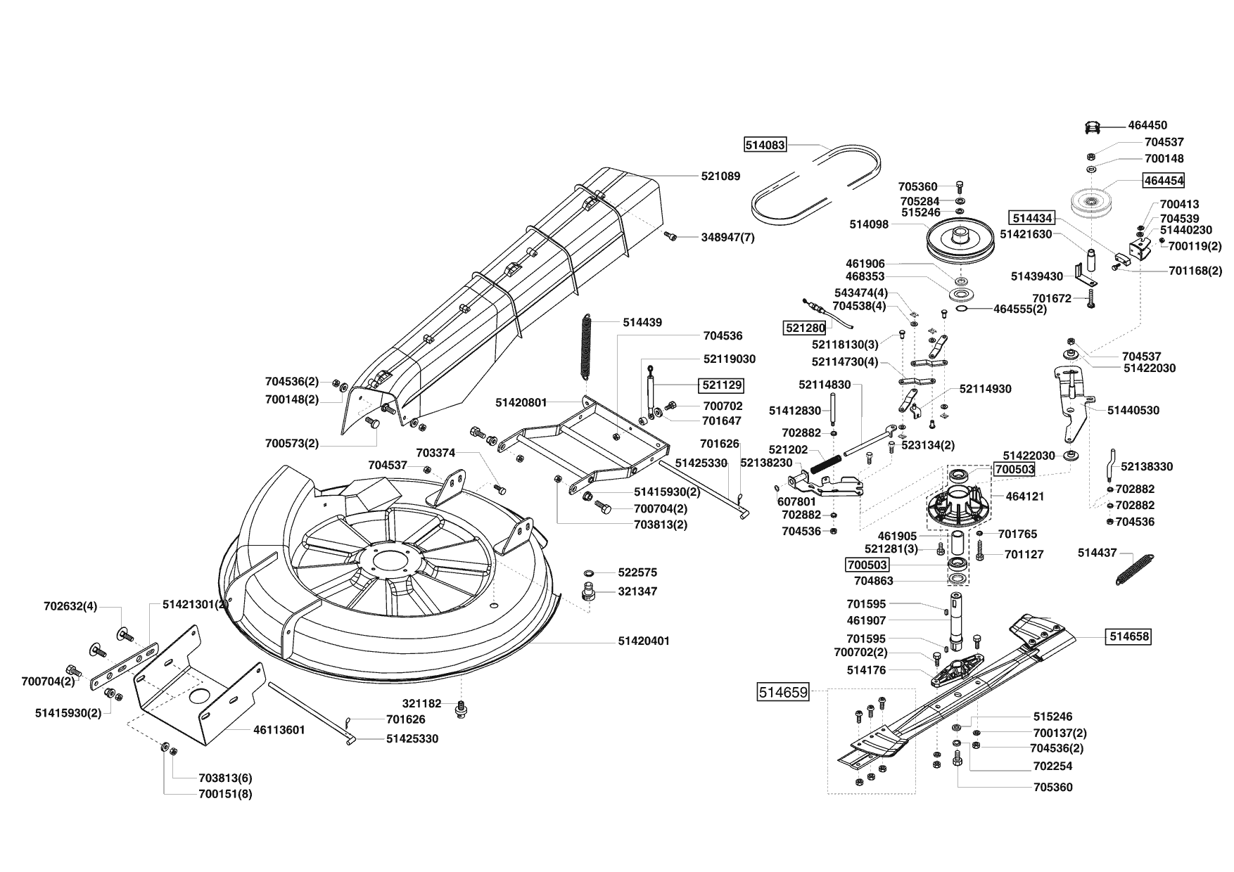
Zeichnungen von Powerline Rasentraktor T13-82 HD Edition 11/2010 - 02/2011 mit der Geräte-Artikelnr. 119286:

Zeichnung 1
Zeichnung 2
Zeichnung 3
Zeichnung 4
Zeichnung 5
Zeichnung 6
Zeichnung 7
Zeichnung 8
Zeichnung 9

Nicht alle Ersatzteile von Powerline Rasentraktor T13-82 HD Edition (119286) 11/2010 - 02/2011 sind immer lieferbar/vorrätig.
Sollten Sie Fragen zu einem Ersatzteil haben, können Sie uns gerne Mail schreiben oder eine Ersatzteilanfrage stellen.
Ersatzteile von Rasentraktor T13-82 HD Edition:
Artikel 1 - 20 von 398