11/2008 - 03/2009

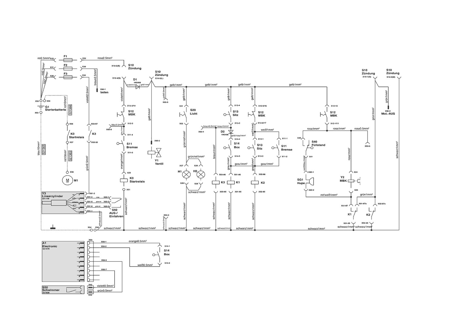
Zeichnungen von AL-KO Rasentraktor T 1000 HDE 11/2008 - 03/2009 mit der Geräte-Artikelnr. 119151:

Zeichnung 1
Zeichnung 2
Zeichnung 3
Zeichnung 4
Zeichnung 5
Zeichnung 6
Zeichnung 7
Zeichnung 8
Zeichnung 9

Nicht alle Ersatzteile von AL-KO Rasentraktor T 1000 HDE (119151) 11/2008 - 03/2009 sind immer lieferbar/vorrätig.
Sollten Sie Fragen zu einem Ersatzteil haben, können Sie uns gerne Mail schreiben oder eine Ersatzteilanfrage stellen.
Ersatzteile von Rasentraktor T 1000 HDE:
Artikel 1 - 10 von 390