11/2008 - 02/2009

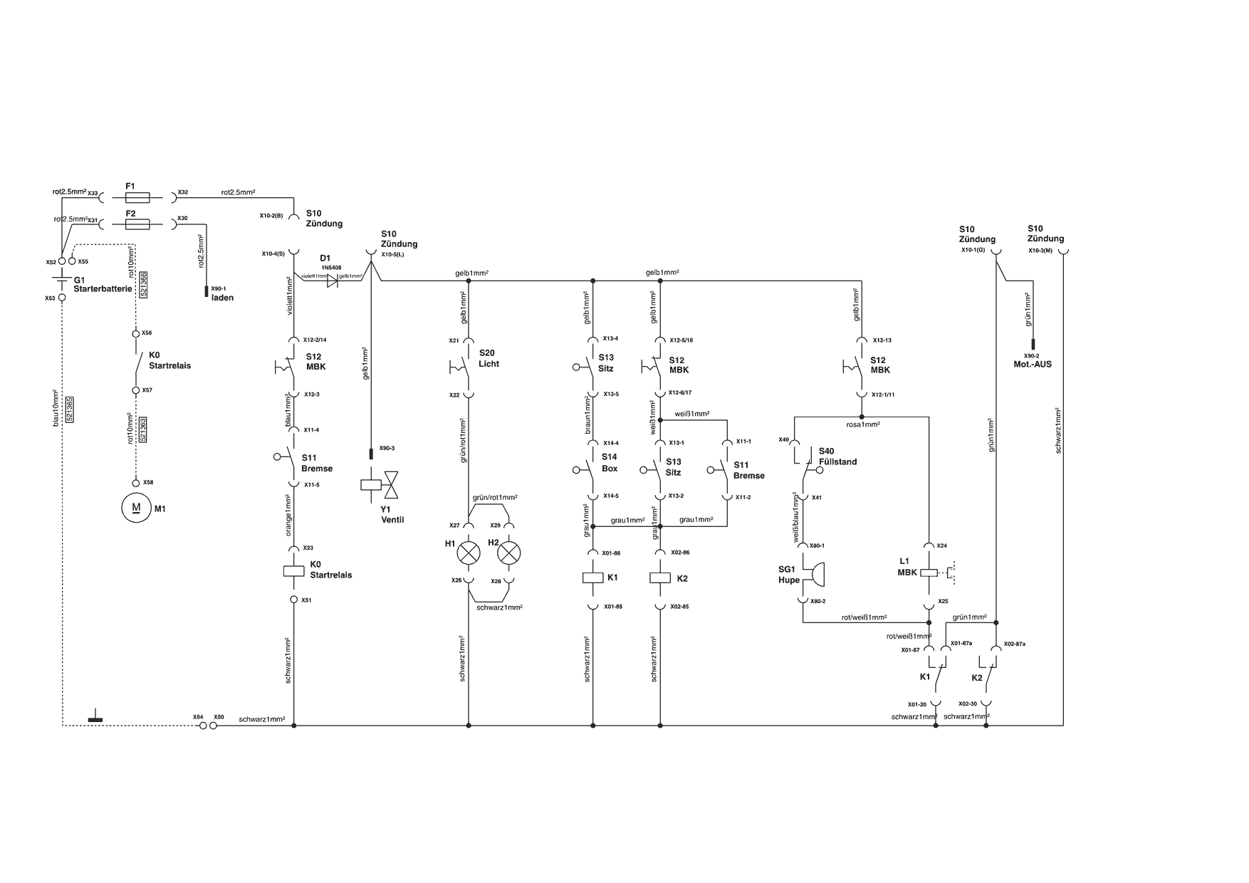
Zeichnungen von Powerline Rasentraktor T20-102 HD II 11/2008 - 02/2009 mit der Geräte-Artikelnr. 119149:

Zeichnung 1
Zeichnung 2
Zeichnung 3
Zeichnung 4
Zeichnung 5
Zeichnung 6
Zeichnung 7
Zeichnung 8
Zeichnung 9

Nicht alle Ersatzteile von Powerline Rasentraktor T20-102 HD II (119149) 11/2008 - 02/2009 sind immer lieferbar/vorrätig.
Sollten Sie Fragen zu einem Ersatzteil haben, können Sie uns gerne Mail schreiben oder eine Ersatzteilanfrage stellen.
Ersatzteile von Rasentraktor T20-102 HD II:
Artikel 1 - 50 von 415

52,88 € *
Lieferzeit: 2 - 10 Werktage
133,68 € *
Lieferzeit: 2 - 10 Werktage
10,42 € *
Lieferzeit: 2 - 10 Werktage
7,58 € *
Lieferzeit: 2 - 10 Werktage